Современные зарядные устройства для авто аккумов очень легки и малогабаритны, изготовлены по импульсной схеме, и управляются контроллерами, но опытные автовладельцы предпочитают воспользоваться томными и массивными зарядными устройствами, состоящими из массивного низкочастотного трансформатора .
Зарядное устройство для Ni-Cd и Ni-MH аккумов (MAX713)
Описывается схема легкого зарядного устройства для зарядки Ni-Cd и Ni-MH аккумов. Имеется переключатель, с помощью которого можно избрать батарею из скольких аккумуляторных частей питания необходимо зарядить, — из 1-го, 2-х либо 3-х. Обычная зарядка Ni-Cd и Ni-MH аккумов током .
Зарядное устройство для батареи из 2-ух Ni-MH аккумов АА от USB
Невзирая на то, что на данный момент есть сильно много портативной аппаратуры, питающейся от интегрированных аккумов, остается к тому же много аппаратуры, рассчитанной на питание от гальванических частей типо-размера «ААА» либо «АА». Это делает определенные трудности эксплуатации, поэтому .
Простейшее зарядное устройство для 2-ух Ni-Mh пальчиковых аккумов типа AA
На данный момент уже практически вся портативная электроника питается от интегрированных аккумов и заряжается от универсальных зарядных устройств с разъемами типа USB. Но, невзирая на это, большая часть портативных радиовещательных приемников как и раньше питаются от гальванических батарей .
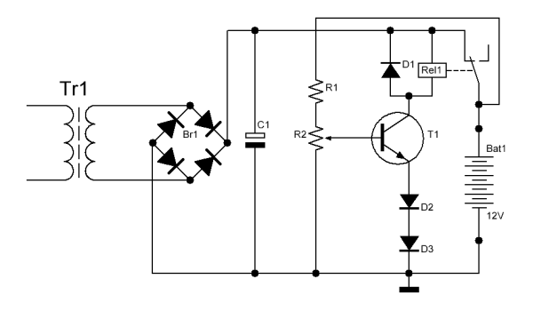
Блок заряда и питания от Li-ion аккума для пульта управления
ИК — пульт дистанционного управления (ИК ПДУ) Lotos модели RM-909E позволяет управлять 10 единицами различных видов домашней техники, содержит в собственной базе сотки групп кодов, которые подходят для нескольких тыщ моделей телевизоров, DVD-проигрывателей и другого мультимедийного оборудования.
Схема устройства питания на базе маленького аккума 3.7В-4.2В от мобильника
Еще совершенно не так давно, да вобщем, и на данный момент, есть много аппаратуры, питающейся от гальванических батарей, как правило это два элемента по 1,5V, другими словами 3V. Это и пульты ДУ, и приемники, и игрушки и почти все еще чего Естественно, есть кандидатура, — «пальчиковые» батареи по 1.2V. Но здесь две .
Схема зарядного устройства для никель-кадмиевых (Ni-Cd) аккумов
Самодельное зарядное устройство для никель-кадмиевых (Ni-Cd) аккумов, принципная схема. Дабы аккумулятор служил длительно необходимо обеспечить его лучший режим, как зарядки, так и разрядки. Никель-кадмиевым аккумам присущ так именуемый «эффект памяти». Заключающийся в том, что .
Схема зарядного устройства с таймером для АА и ААА аккумов
Зарядные устройства, реализующиеся в магазинах обычно очень ординарны и обеспечивают резвый режим заряда, при котором аккумулятор стареет существенно резвее. Более неопасно заряжать аккумулятор номинальным зарядным током (0,2 от паспортной емкости), но это просит много времени, и это время .
Зарядные устройства для телефона в автомобиле, две схемы
Схема зарядного устройства показана на рисунке 2, это DC-DC преобразователь, дающий размеренное напряжение +5V при токе до 0,5А, и входном напряжении в границах 7-18V. Посмотрев на схему, может появиться вопрос, — для чего такие трудности, когда, казалось бы, возможно обойтись одной «кренкой»? Вопрос .
Как применять зарядку от телефона +5В для NiCd и NiMH аккумов
Принципная схема приставки к сетевому адаптеру мобильного телефона, что позволяет заряжать NiCd и NiMH батареи. Цена «сухих батареек» на данный момент уже довольно высока, и полностью сравнима со ценой аккумов. Но батареи можно заряжать. В большинстве устройств, питающихся от «сухих частей» напряжением 1,5V .
Зарядка для 18650 аккумов своими руками
Самодельное зарядное для литиевых аккумов 18650
Всех приветствую! Не так давно появилась необходимость заряжать литиевые батареи типоразмера 18650. Брать зарядник в магазине? не, не мой вариант. Мне необходимо, что-то по труднее, к примеру выполнить самому)). К тому же всё нужное есть под рукою. Отлично. Поехали.
Итак, из главных девайсов пригодится бокс, холдер, держатель — необходимое выделить.


бокс, холдер, держатель.
Данные боксы конторы Shenzhen Blossom Electronic на мой взор самые высококачественные. Изготовлены из крепкого пластика, имеют надёжные контакты, батареи держатся уверенно и в целом смотрится приятно.
Также будет нужно контроллер заряда на микросхемы TP4056.
Продукты для изобретателей Ссылка на магазин.

Контроллер TP4056.
Он представляет из себя небольшую платку размерами 26X17мм. с функциями защиты от разряда и перезаряда литиевых аккумов. Подключается по micro usb, может работать с аккумами 3,7 вольт,
поддерживает зарядный ток около 1 Ампера.
Изобретения для самодельщиков в китайском интернет-магазине.
Ниже представлен график контроля заряда TP4056.

В моём зарядном устройстве будет применена только эта функция.
А контроль разряда аккумов применяется исключительно в случае подключения нагрузки через эту плату.
Потому схема выходит очень обычный, припаиваем провода согласно рисунку и уже можно воспользоваться устройством.
Электроника для самоделок в китайском магазине.

Но на этом мы не заканчиваем, думаю хорошо бы прикрепить плату к боксу и изолировать все нагие контакты.
Для крепления платы я использовал обоестороннюю вспененную клейкую ленту.

Обоесторонняя вспененная клейкая лента.

Контроллер приклеен на бокс.
Держится отлично, просто так не оторвётся. Дальше при помощи акрилового герметика я замазал всё контакты.

Акриловый герметик.
И обыденным прозрачным скотчем прикрыл плату контроллера. В конечном итоге вышло это!



Да, малость страшновато вышло, но девайс отлично работает. Главное не спутать полярность при установке аккумов, по другому сгорит TP4056 а если при всем этом и к блоку питания подключено, то блок тоже выпустит дым. Пожалуй это является основным недочетом данного устройства.
Что касается времени зарядки, то она находится в зависимости от емкости аккумов и тока блока питания. Но в любом случае наибольший ток заряда не превзойдет 1-го Ампера. Если к примеру установлено 3 аккума по 2000mAh и ток заряда 1 Ампер, то по ориентировочным подсчётам будет нужно 6 часов. Много это либо не достаточно, решайте сами.
Ниже на рисунке красный светодиод гласит о идущем заряде аккумов.

Зеленоватый светодиод значит окончание заряда.

В конечном итоге наименее чем за 100 рублей я пользуюсь этой зарядкой уже 2 месяца. Но к огорчению остаётся возможность некорректно вставить аккумулятор и лишится устройства. В целом не очень рекомендую такое решение конкретно по этой причине.
Также есть сборка в видео формате. Все ссылочки на комплектующие будут под видео в ютубе.
Массивное зарядное устройство для акб 18650 Ака Касьяна

Литий-ионные батареи типоразмера 18650, наверняка, самый пользующийся популярностью эталон на сей день. Их используют в ноутбуках, фонариках, пауэрбанках и даже в электрокарах.



Энтузиасты, которые приняли решение собрать свой 1-ый электробайк, обычно, применяют в качестве аккумов конкретно банки формата 18650, ну и не только лишь энтузиасты. Практически во всех электровелосипедах применены батареи из этих аккумов.

Из-за отсутствия достаточных средств на покупку новых аккумов нередко приходится брать бывшие в употреблении батареи (б.у.), к примеру, от ноутбуков. Также приходится их разбирать, замерять емкости и сортировать с целью сборки батареи.

Как заряжать банку 18650, думаю, знает каждый. В наше время можно отыскать спец зарядное устройство.


Или приобрести вот такую платку, которая питается от обыденного usb-порта и способна заряжать 1 аккумулятор током до 1А.


Но как быть, если аккумов много? Верно, приобрести больше зарядок. А что, если аккумов ну уж сильно много?

В данном случае брать умное зарядное устройство уже очень нерентабельно. Так что все-таки делать? Взяться за паяльничек естественно и отыскать (приобрести/переработать/выполнить) блок питания с напряжением 5В и как можно большим выходным током.
Изобретения для самодельщиков в китайском интернет-магазине.

В задумке нет ничего хитроумного и показанное тут не является новинкой. Создатель (AKA KASYAN), просто собрался сделать для себя зарядку, которая может сразу заряжать ни мало ни много 20 аккумов эталона 18650. За зарядку каждой банки отвечает древняя хорошая плата на базе микросхемы TP4056.

Такие платы бывают с защитой и без.


Нам необходимы те, которые без защиты. Для данного проекта, как просто додуматься, нам пригодится 20 таких плат, а еще 20 холдеров для установки аккумов.
Некоторые платы заряда у создателя с защитой, но он припаял аккумулятор конкретно к выходу микросхемы TP4056, минуя схему защиты.
Дело в том, что по наблюдениям создателя, при стандартном включении батареи немного недозаряжается, потому если брать такие платы для зарядного устройства, то берите те, что бес платы защиты. Собранная система естественно греется, так как применяемые в данной самоделке микросхемы TP4056 работают в линейном режиме, а с учетом того, что их количество составляет аж 20 штук, нагрев выходит впечатляющим. Нагревается и сам источник питания. Еще бы, ведь он работает на наибольшей мощности.
Сейчас пару слов о том, в чем все-таки фактически особенность таковой зарядки. Дело в том, что в продаже вы навряд ли отыщите похожий агрегат. Создатель естественно попробовал отыскать что-то схожее, но в веб магазинах отыскал зарядку максимум для 8-ми литий-ионных аккумов типоразмера 18650.

Из описания продукта становится понятно, что наибольшее значение тока заряда, в случае одновременной зарядки всех 8-ми аккумов, не превосходит 500 мА. Это естественно не достаточно.Кропотливо профильтровав все предложения и сравнивав цены на предлагаемые продукты, создатель возвратился к исходному плану — выполнить зарядку своими руками.
Для неопасной работы конструкцию дополним вентилятором.

Вентилятор самый обыденный, от самого обыденного компьютерного блока питания. Он питается от 8-ми вольт, которые получаются при помощи повышающего dc-dc преобразователя МТ3608, который в свою очередь запитан от основного источника питания с напряжением 5В.
Количество заряжаемых аккумов может быть от 1 до 20, так как платы не связанны вместе и любая заряжает свой аккумулятор. Холдеры самые обыденные. У китайцев в продаже имеются 2 варианта таких холдеров, создатель рекомендует применять 2-ой вариант, стоит чуток дороже, но такая конструкция еще надежнее и прослужит намного подольше.
Ну а сейчас приступаем к сборке.


Более тщательно с процессом сборки сможете ознакомиться, посмотрев видеоклип создателя:
Проверка и тесты:


Видите ли, все отлично работает. О процессе зарядки говорит красный светодиод.
Самоделка из мобильника. Зарядное устройство для Li-ion аккума 18650 на микросхеме LTC4054

микросхема LTC4054 из видеорегистратора либо телефона
На платах старенькых телефонов либо на платах видеорегистраторов есть микросхема, созданная для заряда литий-ионного аккума. У микросхемы 5 выводов,находится поближе к гнезду питания. На корпусе надпись:»LTADY» либо «LTH7». Это микросхема LTC 4054. На этой микросхеме, можно собрать зарядное устройство для зарядки аккумов типоразмера 18650.

схема зарядного устройства на микросхеме LTC4054
Для зарядки будет нужно кроме самой микросхемы одна деталь-резистор. От сопротивления этого резистора зависит выходной ток либо ток заряда. Я заряжал током 550мА, сопротивление резистора было 1.8кОм.
Свойства микросхемы:ток заряда до 800мА, напряжение питания 4.3-6В, защита от недлинного замыкания на выходе, защита от перегрева.

микросхема LTC4054 на плате
Ток заряда выбирают по формуле:I=1000/R сопротивление резистора. Микросхема при токе 550мА осязаемо нагревается и потому к корпусу через пасту прикрепил фольгу-теплоотвод. Нагреваться будет сначала зарядки, через некоторое время нагрев уйдет. Микросхема автоматом выставляет выходной ток. Заряженный аккумулятор проверил на заводской зарядке с индикацией, он показал вполне заряженный аккумулятор.
Схема зарядного устройства для литиевых аккумов
Литиевые батареи делаются с внедрением разных ионных компонент, с постоянным присутствием иона лития. Другим составляющим может быть сухой ионит с кобальтом, фосфатом железа, комплекс никель-кобальт алюминий и остальные. Подбор активных составов длится. Зависимо от гальванической пары изменяется мощность аккумов, их напряжение и емкость, но методы сбора в батареи с обвязкой для всех одинаковы.

Схема подключения литиевых аккумов
Установка литиевой батареи решает различные задачи. В случаях, когда необходимо иметь токовую нагрузку, измеряемую десятками ампер применяют высокотоковые элементы. Это касается ручного инструмента, тяговых батарей для транспортировки. Средние нагрузки лежат на ноутбуках, фотоаппаратах, фонарях.
Разглядим высокотоковые батареи на базе литий-ионных банок с номинальным напряжением 3,7 В. Они могут иметь различные размеры, емкость, но напряжение будет только 3,7. Сделаны элементы:
- катод из дюралевой фольги, на которую нанесен мелкодисперсный графит;
- анод из медной подложки, на которую нанесен LiCoO2:
- сепаратор, ячеистый состав пропитан неводным веществом соли Li.
Конкретно такие комплектующие применяют в цилиндрических элементах, аккумулятор именуют литий-ионным. В большинстве случаев схема питания шуруповертов, ноутбуков, фонарей, биноклей сделаны с применением литиевых аккумов форм-фактора 18650. Элемент имеет в длину 65 мм, поперечник 18 мм. Напряжение рабочее 3,0-4,2 В. Относится в высокотоковым, другими словами может отдавать ток силой до 10 С.

Для питания инструмента большей мощности нужно соединять последовательно несколько банок, по расчету. При всем этом емкость измеряется по самому слабенькому элементу.
Для увеличения емкости необходимо применять параллельное соединение. Банки, соединенные одинаковыми полюсами суммируют емкость. Если необходимо поднять емкость и напряжение, применяют комбинирование. Соединяют группы банок параллельно. Позже каждый набор соединяют последовательно.
Для шуруповертов с рабочим напряжением 12,14,18 В применяется последовательная схема литиевого аккума. Зная, что отдельные элементы не должны перезаряжаться выше 4,20 В, разряжаться ниже 2,5 В, нужна обеспечить равномерное напряжение во всех банках и защиту от небезопасного для них напряжения. Батарея может быть собрана из защищенных аккумов. Тогда на них есть маркировка «protected» («защищенные»). В корпусе имеется плата, отключающая элемент при достижении критических характеристик.

Защищенный цилиндр на 2 мм длиннее стандартного, незащищенного и мало толще, за счет дополнительной обертки. Если применяются незащищенные литиевые батареи, в схему заряда литиевых аккумов устанавливается плата защиты MBS, рассчитанная на наивысшую токовую нагрузку, количество банок. Нередко там же встроен балансир.

Схемы балансиров для литиевых аккумов
В чем заключается балансировка при сборке батареи последовательно? Когда соединение банок идет обратными полюсами, напряжение суммируется. Ток протекает однообразный. По различным причинам разница в емкости может незначительно отличаться. Но если не поставить преграду, самая малая банка переполнится, другими словами перезарядится. Это плохо. При работе ток отбирается в равных количествах. Банка, у которой емкость незначительно ниже, разрядится так, что может выйти из строя, пока другие элементы сборки отдают энергию до нормы.


Балансир представляет схему, которая делает препятствия для прохождения тока в заряженную батарею, направляя ее через дополнительные сопротивления, резисторы. Балансир включает стабилитрон TL431A и транзистор однобокой прямой проводимости BDI 40

Хорошие балансиры включены в схему зарядных устройств для литиевых аккумов, которыми обширно пользуются. Их маркировка Turnigy Accucel-6 50W 6A и iMAX B6.
Перед вами обычная и понятная схема балансировки литиевых аккумов, которую можно выполнить без помощи других.

Схема светодиодов для контроля разряда литиевых аккумов
Животрепещуще выяснить, когда аккумулятор сядет. Разряжать литиевые батареи до 2,5 В не стоит, будут трудности с предзарядом. Резкое мерцание светодиода послужит приметным аварийным сигналом.
Легкая схема с применением монитора напряжения к тому же малогабаритная. Бесспорное достоинство – низкое потребление энергии. При севшей батарее это принципиально. Отлично с задачей управится мигающий светодиод L-314.

Можно приобрести готовый устройство –MAX9030. Схема сборки представлена. При снижении напряжения до 3,0 В начинает вспыхивать ярко светодиод с длинноватым интервалом. В спящем режиме расходуется 50 наноампер (10 -9 ), при вспышках 35 мкА.
Вывод
Для каждого устройства можно составить литиевую батарею, отвечающую запросам. Но нужно подобрать характеристики девайсов в согласовании с видом литиево-ионных аккумов. Марганцевые имеют напряжение 4 В, кобальтовые 3,7 В, а железо-фосфатные 3,3 В. Собирая батарею, необходимо брать элементы 1-го вида, лучше из одной партии.
