«Такое распространение солнечных панелей связано с гос политикой: в Европе многие страны десятилетиями субсидировали развитие солнечной энергетики, когда она ещё была очень дорогой в сопоставлении с технологиями классической энергетики, — потому в конечном итоге они достигнули таких результатов», — комментирует Татьяна Ланьшина, старший научный сотрудник РАНХиГС и генеральный директор ассоциации «Цель номер семь».
В Россию этот тренд идёт только на данный момент, как и поддержка со стороны властей. Совершенно не так давно был принят закон и подзаконные акты о микрогенерации. Это означает, что сейчас каждый обитатель Рф может создавать электроэнергию для собственных нужд и даже поставлять её избытки в сеть. Потому стоит разобраться в вопросе детальнее.
Так какие шаги может сделать обыденный обладатель дачи либо дома в Рф, решив установить солнечную панель?
Оцените финансовую выгоду
Да, при помощи солнечной генерации вы сможете сберечь уже на данный момент. Правда, для этого необходимо учитывать несколько принципно принципиальных деталей:
- В случае с солнечными батареями выгода будет ощущаться, если вы живёте в доме огромную часть года, а не только лишь летом либо в выходные деньки. Ординарными словами: чем больше вы потребляете электроэнергии, тем прибыльнее будет установка солнечных панелей.
- Для вас нужно уточнить, сколько стоит электроэнергия в вашем садовом приятельстве либо районе. Цена в различных частях Рф может сильно отличаться: в среднем, россияне платят около 4 рублей за киловатт-час, но в некоторых садовых приятельствах цена может быть еще выше. Создание собственной электроэнергии за счёт солнечных панелей без накопителей энергии в Столичной области стоит от 5,5 рублей. Поэтому, если ваш тариф на сетевую электроэнергию выше 5,5 рублей, то собственная генерация может быть прибыльнее.
- Схожей схемой уже интенсивно пользуются малые предприятия: обыденные автомастерские, цехи, поликлиники и магазины в регионах ставят солнечные батареи, так как счета за электроэнергию обходятся им недешево. У малых и средних компаний цена сетевой электроэнергии доходит до 10-11 рублей за киловатт-час — выбор очевиден. Потому при выборе солнечных панелей ориентируйтесь не только лишь на количество солнечных дней, но и на тарифы вашего региона.
- Кроме остального, вы сможете продавать избытки электроэнергии , которую производит ваша солнечная станция. К примеру, при отсутствии употребления энергии в доме либо её избытках эта «лишняя» электроэнергия может быть отдана в централизованную сеть по тарифу оптового рынка, другими словами за 1-2 рубля за киловатт-час.
Объединяйтесь и сберегайте ещё больше
Экономия может быть не только лишь в оплате квитанций, но ещё и за счёт установки солнечных панелей сходу на нескольких объектах, а не на одном. Сберегать можно и на обслуживании: ведь для вас не придётся вызывать ремонтников либо проверяющие службы без помощи других. Даже 5-10 домов с солнечными панелями не будут переплачивать за отдельные визиты профессионалов, хотя вызывать их не придётся нередко.
Более того, конкретно ваш дачный кооператив может стать первопроходчиком в вопросе ВИЭ на местности Рф (в том числе для целей теплоснабжения и получения жаркой воды), считает Татьяна Ланьшина: «Это будет классный кейс для Рф, так как у нас ещё нет энергетических кооперативов. Стоит не забывать, что это может быть неплохой кандидатурой газификации (от создателя: подведение газа в ряде садовых приятельств в Подмосковье может доходить до миллиона рублей на домохозяйство). Заместо газовых плит вы можете применять электрической плиты, которые будут обеспечиваться электроэнергией от солнечных панелей. А задачка теплоснабжения может решаться применением термических насосов, которые будут запитаны на солнечные панели, и/либо за счёт солнечных коллекторов. Таковой проект может быть экономически целесообразным».
Проверьте вашу локацию
Итак, если вы обусловились и приняли решение установить свою солнечную электрическую станцию, то сперва стоит оценить ваш участок и отыскать место, где идеальнее всего поставить солнечную панель.
- Лучшая локация — на солнечной стороне без тени. Имейте в виду, что в засушливых районах панель может стать ещё и дополнительным источником тени и, к примеру, защитить почву от пересыхания.
- Также важным фактором является крыша: проверьте, подходит ли она для установки солнечных панелей. Это вы сможете выполнить как без помощи других, так и при помощи спеца по установке солнечных панелей.
- Другой вопрос, волнующий обитателей Рф — количество солнечных дней в году. Если для южных регионов выбор очевиден, то что делать тем, кому подфартило меньше? Инсоляция — количество солнечного излучения, которое попадает на определённую область Земли, достаточно сильно различается в Рф. Но, стоит напомнить, что в Москве инсоляция сравнима с инсоляцией Берлина. Все же Берлин и Германия — один из фаворитов в использовании солнечной энергии. Принципиально держать в голове, что солнечные панели могут работать и в облачную погоду, хотя и с наименьшей выработкой.
- В районах, где нередко отключают электричество либо есть препядствия с подсоединением к электрическим сетям, солнечные панели станут хорошей кандидатурой (только не забудьте приобрести батареи). Благодаря им вы можете копить энергию и применять её по мере надобности. Аккумуляторные батареи применяются для размеренного энергоснабжения дома в те периоды, когда солнечного света не много либо он отсутствует, потому в регионах с наименьшим количеством солнца они нужны.
Выбор оборудования, установка и цена
Проще всего доверить выбор оборудования спецу, но вы тоже сможете разобраться в этом вопросе без помощи других.
«Лучше всего обращаться за помощью к инжиниринговым компаниям, так как это подразумевает более широчайший спектр оценки и выбора. К примеру, в процессе выбора может выясниться, что нужен электронасос для отопления за счёт геотермального тепла, а не электрокотел, который человек вначале планировал установить. Благодаря своевременной подмене оборудования на корректное, весь проект становится существенно дешевле. Полный подход позволяет очень уменьшить издержки на энергию», — рекомендует Николай Дрига, технический директор группы компаний «СолнцаДом».
Если вы решите выбирать оборудование сами, то стоит заблаговременно поглядеть варианты готовых наборов. Брать части набора раздельно лучше не стоит. Цена таких наборов будет сильно различаться зависимо от локации, количества панелей и ваших собственных желаний по мощности солнечной электростанции. В среднем вы сможете приобрести готовые наборы от 25 до 400 тыщ рублей.
Также вы сможете посчитать и окупаемость собственного проекта . Для этого необходимо учитывать мощность установки, выработку энергии, тарифы, цена подключения к сети и цена установки. Для примера, сроки окупаемости проекта в Столичном регионе составят от 8-9 лет .
Поддержите Зелёный курс
Ещё в 2020 году Greenpeace вместе с экологически нацеленным делом составил программку Зелёный курс, которая предлагает переход на углеродную нейтральность уже к 2050 году.
В Зелёном курсе есть большой блок про возобновляемую энергетику из-за того, что 79 процентов выбросов парниковых газов в Рф приходится на сжигание ископаемого горючего. Потому переход от классической генерации к возобновляемой энергетике является одной из важных целей.
Но это не единственная возможность поддержать Зелёный курс. Подпишите нашу петицию и станьте поближе к зелёному будущему.
Установка солнечных батарей на крыше в личном доме

Дабы безвозмездно получать электричество от солнечной энергии в своем доме, многие всё почаще стали применять солнечные батареи. В большинстве случаев они располагаются на крыше. Дальше проведём полный расчёт цены оборудования и примеры монтажа с пошаговыми фото.
Дабы найти ориентировочное количество солнечных модулей, представим, что живет в доме семья из 4 человек. Она потребляет около 3000 кВт электроэнергии в год (это подтверждается средними данными). Исходя из этого, выбирается фотобатарея на 5 кВт.
Требуемое количество ячеек фотоэлементов
В односемейных домах более нередко применяются поликристаллические панели мощностью 240-260 Вт (они характеризуются относительно высочайшей эффективностью на уровне 18%, а их стоимость не является высочайшей). Если вы выберете 250 Вт модули, пригодятся 20 солнечных панелей, которые занимают около 35 м2 площади крыши.
Внимание! Панели крыши должны размещаться так, дабы они не затенялись дымопроводом, высочайшим деревом, электровышкой либо примыкающим зданием. Это может привести к перегреву и повреждению модуля.
Потому производители оборудуют свои панели шунтирующими диодиками (от 1-го до 4). При затенении 1-го ряда ячеек диодик начинает работать, потом ток течет при помощи байпаса (англ. bypass — обход — запасный путь, запасной маршрут для обеспечения непрерывного функционирования системы).

Ценовые издержки на фотогальванические панели
Цены на материалы являются примерными, так как на цена панелей, инвертора либо конструкции крепления в значимой степени оказывает влияние тип избранных устройств, марка и производитель. Так как большая часть устройств ввозятся из-за рубежа, текущий курс бакса также важен.
Пример перечня материалов для фотоэлектрической установки на 5 кВт:
- Фотоэлементная система, состоящая из 20-ти 250 Вт модулей – 200000 рублей;
- Крепление из дюралевых профилей на наклонной крыше, покрытой плиткой – 50000 рублей;
- Инвертор, который позволяет управлять установкой – 50000 рублей;
- Разъемы и предохранители – 10000 рублей.
- Установка солнечных батарей занимает до 5 дней, за которые мы будем платить мастерам 100000 рублей;
Внимание! В этой спецификации не включена цена аккумуляторных батарей, так как в солнечной электростанции они являются дополнительным вариантом. Независящая установка для дома, из-за необходимости хранить электроэнергию, другого типа инвертора и несколько большего количества панелей, будет дороже на 40%.
Осенью и зимой, в облачные деньки эффективность фотогальванической установки понижается приблизительно на 50%.
Полезное: Замена электрической розетки в квартире своими руками
Сколько сэкономим на фотоэлектрической батарее
Беря во внимание значимые инвестиции в фотоэлектрическую установку, нас интересует как выиграем в стоимости от её внедрения. Предполагая, что 5-киловаттная мини-электростанция будет установлена в доме, расположенном в средней полосе Рф и будет генерировать 4500 кВт/ч электроэнергии в год. Это соответствует среднему спросу на электричество для семьи из 4 человек.
Потому, если мы платим 6 руб. за кВт/ч, то сэкономим около 20000 руб. Это дает возмещение расходов приблизительно через 12 лет.
Этот расчет применяется к текущим ценам (на начало 2019 года) и действующим правилам. Тяжело предугадать как всё поменяется в ближнем и отдаленном будущем.
Схема сборки подключения системы


Установка солнечных батарей на крыше
Фотоэлектрические панели на наклонной крыше укладываются на дюралевые профили. Они прикреплены к конструкции крыши зависимо от типа покрытия с надлежащими крепежными элементами. Дальше покажем установку солнечных панелей на крыше, покрытой глиняной плиткой. Этот тип материала является одним из более нередко избранных инвесторами.




В дополнение к солнечным элементам и конструкции профиля другие составляющие солнечной установки находятся дома. Более принципиальным из них является инвертор и блок защиты.
Где ставить инвертор (преобразователь)
Хотя место сборки этого устройства не является критическим, рекомендуется поместить его как можно поближе к панелям (другими словами на чердаке), что существенно уменьшит утрату тока во время его передачи. Инвертор обычно обустроен экраном, на котором можно считывать все характеристики рабочей установки. Все почаще производители обеспечивают беспроводное подключение к Вебу, потому вероятнее всего будет возможность держать под контролем работу системы при помощи компьютера.

Выбор подходящей модели инвертора находится в зависимости от типа солнечных панелей и проводки, установленной в доме, – одни устройства применяются в однофазовых сетях, другие – в трехфазных.
Предохранители и разъемы
Предохранитель размещен в основном распределительном щите, другими словами на электрической панели. Он защищает инвертор от повреждений.

Не считая того, в системе есть разъединитель, который предназначен для отключения домашней установки от наружной электросети, к примеру когда он поврежден либо производятся некие работы по техническому обслуживанию.
Внимание! Установка с солнечными батареями должна быть подключена к сети уполномоченным на это действие электриком. Нельзя самовольно встраивать в электросеть такие приборы – могут быть штрафы, так что непременно пригласите местного электрика.
Обучаемся устанавливать солнечные батареи
Еще 50 годов назад, получение электроэнергии от Солнца относилось только к космическим технологиям (как по трудности оборудования, таки и по его цены). Сейчас, установка солнечных батарей в личном порядке стала обычным делом. Панели можно повстречать на крышах дачных домиков, на местности фермерских хозяйств, на опорах освещения.

Вопрос «пользоваться либо не пользоваться», уже не рассматривается. Возможный обладатель озабочен только расчетом цены, мощности и надежности оборудования. О том, какие бывают солнечные батареи, как их верно избрать, поведаем в нашем материале.
Механизм работы солнечной батареи
По сути, правильное название — фотоэлемент (другими словами, фотобатарея). Но так как источником света является солнце, прижилось наименование «солнечная батарея».
Элемент представляет собой «бутерброд» и пластинок кремния, разбитых стандартным (для радиодеталей) переходом. Секрет в том, что кремниевые части имеют разный тип:
Такие комплекты используются фактически во всех радиодеталях, сделанных из кремния.
Это любопытно: Многие из стандартных радиокомпонентов также могут производить электроэнергию при воздействии броского света. Просто КПД так маленький, что применять их в качестве источника тока глупо.
К слою кремния N-типа добавляется фосфор. В состоянии покоя такая смесь дает излишек электронов с естественным отрицательным зарядом.
P-тип «обогащен» бором, что делает недостаток отрицательных зарядов (так именуемый эффект электроновых дыр).

Соответственно, к N-слою подключается отрицательный электрод (для снятия электротока), а к P-слою — положительный.
Из законов физики мы знаем, что в P/N переходе находится электрической поле. Под воздействием на отрицательную панель солнечных фотонов, в переходе происходит насыщенное разделение отрицательных и положительных частиц. «Минусы» скапливаются в верхнем слое, а «плюсы» в нижнем. В итоге, солнечный бутерброд преобразуется в обыденную батарейку с скопленным зарядом. Если к электродам подключить потребителя энергии — появляется электроток.
Естественно, заряд в таком источнике мгновенно исчезает, но его здесь же восстанавливает солнечный свет. Таким макаром, пока фотобатарея активно бомбардируется фотонами, мы имеем довольно производительную мини электрическую станцию.
Современные батареи могут работать даже при отсутствии прямых солнечных лучей (к примеру, при сплошной облачности). Естественно, интенсивность вырабатывания электрической энергии при всем этом понижается. Но при отсутствии света (даже луна не способна «пробудить» батарею), процесс останавливается. Потому рассматривать фотопанели раздельно, как источник электроэнергии нельзя. Схема подключения солнечных батарей непременно содержит в себе буферное устройство: аккумулятор энергии.
Не считая того, вырабатываемый ток нестабилен, потому для организации энергоснабжения объекта нужна управляющий контроллер. Очевидно, если вы используете мобильную фотобатарею для подзарядки телефона в многодневном походе, такие технологии не требуются. А для строительства персональной электростанции нужна набор устройств перифирии.
Типы солнечных батарей
Генераторы «чистой» энергии классифицируются по типу материала, из которого выполнены элементы:
- Монокристаллические — самый массовый продукт на энергорынке. Для настоящего энергетического обеспечения объекта нужна значимая площадь монтажа. Приоритетная сфера применения — запасные либо дублирующие энергосистемы при имеющемся подключении к сети.
- Поликристаллические системы более производительны, и при наименьшей площади частей могут быть применены в качестве автономной электростанции объекта без централизованного энергоснабжения. Единственный недочет (он нивелируется в процессе эксплуатации), цена значительно выше.
- Бесформенный кремний — это прорыв в солнечной промышленности. Производительность высочайшая, длительный срок службы, элементы гибкие. Но цена очень высочайшая (по последней мере, на сегодняшней стадии — пока создание не вышло на промышленный уровень).
Какие солнечные батареи лучше? Это чисто личный выбор. Обыкновенные расчеты демонстрируют, что на сегодня наилучшее соотношение цены качество у первых 2-ух типов.
- Монокристаллы обычно приобретают в привесок к действующей системе энергоснабжения, потому их цена окупается экономией на оплате за электроэнергию. С психической точки зрения — таковой метод подключения исключает ужас остаться «без света» в случае поломки оборудования. Можно считать это предрассудком, так как надежность современных солнечных систем довольно высочайшая. А поломка всей системы сходу не достаточно возможна. Элементы дублируются, можно создавать ремонт без полного нарушения энергоснабжения.
- Поликристаллические батареи дороже ровно так, как и производительнее. Электрическая станция на поликристаллах может быть на сто процентов автономной, другими словами без вводной полосы центрального энергоснабжения. Опыт применения в отдаленных местах проживания указывает, что такие системы полностью жизнестойки, и не нуждаются в резервировании. Разве что можно установить ветрогенератор (на случай природных катаклизмов вроде затяжного дождика с облачной погодой в течение нескольких дней). Окупаемость 100%, если вы выстроили новый дом без энергоснабжения. Цена технических критерий и монтажных работ сравнима с покупкой комплекта на солнечных батареях мощностью 4000 Вт. А далее — экономия в чистом виде. Вы вообщем не понимаете, что такое оплата электроэнергии.
- Бесформенные батареи еще пока экзотика (исходя из убеждений цены). Но технологии развиваются так быстро, что через относительно маленький промежуток времени эти системы станут доступнее: вспомните ситуацию со светодиодными светильниками.
Достоинства и недочеты солнечной энергетики
Плюсы:
- На стадии применения — экологичность (почему с обмолвкой: создание и утилизация такие же «грязные», как и неважно какая другая электроника).
- После первичных вложений, приобретенная электроэнергия условно бесплатная (требуются некоторые средства на сервис по истечении срока эксплуатации).
- Вероятна полная автономия: вы сможете организовать энергоснабжение в местах, где даже не планируется централизованная подача электроэнергии.
- Вы не зависите от тарифной политики энергетических компаний.
- При выполнении определенных нормативов, можно «продавать» излишек электроэнергии в городские сети.
Минусы:
- Относительная накладность оборудования (как видно на примерах применения, это не всегда является неувязкой).
- Зависимость от погодных критерий (в регионах, где солнечных дней незначительно, внедрение затруднено).
- Оборудование нуждается в повторяющемся обновлении — находится естественный износ.
Верный установка
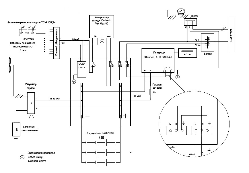
Схема подключения солнечных панелей намного труднее, чем централизованный ввод городской сети. Домашняя электрическая станция состоит минимум из 4 частей.
Мы не рассматриваем примитивные системы освещения садовых дорожек на 12 вольт. Пойдет речь о настоящем энергоснабжении 220 вольт.

- Фактически фотоэлементы. Механизм работы и аспекты выбора мы уже разглядели. Расчет мощности делается от базисной числа 5 кВт на 1 дом. Это примерно 20–40 стандартных панелей площадью по 0.5 м².
- Блок управления (контроллер). Без него нереально функционирование вашей электростанции. Как верно избрать контроллер заряда для солнечной батареи? Он должен поддерживать общую мощность системы энергоснабжения, обеспечивать заряд аккумов и верно распределять поток мощности при одновременном потреблении и заряде.Не считая того, на контроллере лежит ответственность за безопасность системы, в том числе и пожарная.Устройство может заходить в набор электростанции, или приобретается раздельно.
Функционал у всех моделей стандартный. При выборе вы определяете мощность, вольтаж (12 либо 24) и главный аспект — срок службы (гарантия). При выходе из строя контроллера, ваше энергоснабжение определяется емкостью аккумов (пока не разрядятся). - Модуль аккумуляторных батарей. Пожалуй, 2-ой по значимости элемент в «электростанции». Он служит накопительным буфером энергосистемы. Практически, отбор мощности происходит конкретно от батарей. Солнечные элементы только восстанавливают отданный припас энергии (заряжают АКБ). Очевидно, могут быть периоды, когда часть нагрузки ложится на фотоэлементы (если вырабатываемая энергия значительно выше издержек на зарядку). Тогда можно сказать, что ваш телек либо холодильник питается впрямую от солнца. Перед тем, как установить солнечные батареи, нужно высчитать емкость аккумов. Делается это просто: при входной мощности 3 кВт, ток употребления не превосходит 15 А (в сети 220 вольт). На выходе 12 вольтовых батарей ток будет уже 250 А (в согласовании с законом Ома). Очевидно, такая мощность отбирается не повсевременно, но для примера в расчетах мы возьмем конкретно эти числа. Другими словами, если вы установите 5 батарей емкостью по 100 А×ч любая, то при таковой нагрузке заряд завершится через 2 часа.Очевидно, это условные числа: в действительности существует огромное количество поправок в расчетах. Но базисный ток и мощность исчисляются конкретно по такому принципу.Есть разные батареи: кислотные, щелочные, гелевые… По-большому счету, гоняться за самыми «продвинутыми» системами нет смысла. А сберечь можно только на способности обслуживания: батареи, за которыми нужна надзор, стоят дешевле.
- Преобразователь напряжения. Вы сможете отбирать мощность впрямую у АКБ, если ваши потребители рассчитаны на 12 вольтовое питание. Но большая часть электроприборов рассчитаны на 220 вольт. Потому на выходе устанавливается преобразователь 12–220В.К нему подключается ваша внутренняя электросеть.
Самостоятельная установка
Зная, как подключить солнечную батарею к энергоснабжению вашего дома, вы можете сберечь на оплате труда монтажников. Самая непростая часть — установка комплекта солнечных батарей на крыше. Если высота дома менее 2 этажей, можно делать такую работу без помощи других (с ассистентом). Крепление осуществляется с учетом погодных критерий и ветровой нагрузки вашего региона.

Окончив установка солнечных батарей, приступаем к подключению электрики. Все фото батареи заводятся на контроллер, который управляет зарядом аккумов. От АКБ можно выполнить отвод для потребителей 12 В.
Потом подключаем инвертор, и заводим его на вводной электрощиток. Автономное энергоснабжение готово.

Типовая схема указывает обоюдное положение частей и порядок электрических соединений. При покупке оборудования, каждый элемент снабжается технической документацией, по которой делается сборка.