Глобализация не обошла стороной электротехнику, МЭК (Интернациональная электротехническая компания) разработала единый эталон, по которой квалифицируются системы заземлений.
Разновидности систем заземлений
Можно выделить следующие три системы, также еще три подсистемы заземлений:
- Система TN: подсистемы TN-C, TN-S, TN-C-S.
- Система ТТ.
- Система IT.
Интернациональная систематизация систем заземлений обозначается большими знаками. 1-ая буковка показывает на нрав ЗАЗЕМЛЕНИЯ ИСТОЧНИКА ПИТАНИЯ , 2-ая – на нрав ЗАЗЕМЛЕНИЯ ОТКРЫТЫХ ЧАСТЕЙ ЭЛЕКТРОУСТАНОВКИ.
Какая из систем накрепко защищает?
Аббревиатура букв расшифровывается так:
- T (terre — земля) — заземлено;
- N (neuter — нейтраль) — присоединено к нейтрали источника (занулено);
- I (isole) — изолировано.
В ГОСТ введены обозначения нулевых проводников:
- N — нулевой рабочий проводник;
- PE — нулевой защитный проводник;
- PEN — совмещенный нулевой рабочий и защитный проводник заземления.
Мотивированные назначения систем заземления

Разновидности систем заземлений
Предлагаю по порядку разобрать каждую систему и подсистему для того, дабы лучше осознать, как они работают и для каких целей они нужны.
Система TN – система в какой нейтраль источника питания глухо заземлена, а открытые проводящие части проводки присоеденены к глухозаземленной нейтрали источника средством нулевых защитных проводников.
Термин глухозаземленная значит, что проводник N (нейтраль) присоединен не к дугогасящему реактору, а к заземляющему контуру, который конкретно смонтирован поблизости трансформаторной подстанции.
Система TN: подсистема TN-C
TN—C — нулевой рабочий и нулевой защитный проводники объединены в одном проводнике по всей системе (C — combined — объединённый).
- Плюсы подсистемы TN-C.
Более распространенная подсистема, экономная и обычная.
У таковой системы нет отдельного проводника РЕ (защитное заземление). Это значит, что в доме в розетках отсутствует заземление. Часто при таковой системе делается зануление. Зануление — это последняя мера, рассчитанная на эффект недлинного замыкания. Если проводник фазы окажется на корпусе устройства, произойдет куцее замыкание (КЗ), в конечном итоге, сработает автоматический выключатель на отключение.
При таковой системе TN-C неприемлимо уравнивание потенциалов в ванной комнате.
Cистема заземления TN-C применяется в древнем жилом фонде и не может быть рекомендована для новых зданий.
Схема системы TN-C

Cхема системы TN-C
Система TN: подсистема TN-S
TN—S — нулевой рабочий и нулевой защитный проводники работают раздельно по всей системе (S — separated — раздельный).
Более современная и неопасная система заземления. Рекомендуется при строительстве новых построек. Содействует неплохой защите человека, оборудования, а так же защиты построек.
Наименее распространена. Просит прокладки от трансформаторной подстанции пятижильного провода в трехфазной сети либо трехжильного кабеля в однофазовой сети, что ведет к удорожанию проекта.
Cхема системы TN-S

Схема системы TN-S
Система TN: подсистема TN-C-S
TN-C-S — нулевой рабочий и нулевой защитный проводники объединены в одном проводнике в какой- то ее части, начиная от источника питания до ввода в здание, такую систему может быть расщепить на проводник N и проводник РЕ. После расщепления такая система просит повторного заземления
Подсистема TN-C-S рекомендована для широкого использования . На техническом уровне довольно просто выполнима. При переходе с подсистемы TN-C просит легкой модернизации.
Нуждается в модернизации стояков в подъездах. При обрыве PEN проводника электроприборы возможно окажутся под небезопасным потенциалом.
Схема системы TN-C-S

Схема системы TN-C-S
Система TT
TT — нейтраль источника глухо заземлена, а открытые проводящие части электроустановки присоединены к заземлителю, электрически независящему от заземлителя нейтрали источника питания.
До недавнешнего времени система заземления ТТ была запрещена в нашей стране. Сейчас, эта система остается довольно нужной и применяется для мобильных построек, таких как вагончики, ларьки, павильоны,дома и др. Допускается исключительно в тех случаях, когда условия электробезопасности в системе TN не могут быть обеспечены.
Такая система просит качественного повторного заземления, с высочайшими требованиями к сопротивлению. Самым действенным заземлением в данном случае, является модульно-штыревое заземление. Во всех перечисленных системах рекомендуется для безопасности использовать УЗО ( Устройство защитного отключения).
Схема системы ТТ

Cхема системы ТТ
Система IT
Cистема IT — в таковой системе нейтраль источника питания изолирована от земли либо заземлена через приборы либо устройства, имеющие огромное сопротивление, а открытые проводящие части электроустановки заземлены.
Система IT – это схема заземления лабораторий и мед учреждений, в какой проводятся опыты и работы с чувствительной аппаратурой. А все токи и электромагнитные поля сведены к минимуму.
Схема системы IT

схема система IT
Системы заземления TN, TNC, TNS, TNCS, TT, IT — главные отличия
Заземление является основный мерой таковой защиты. Конкретно по этому, необходимо верно осознавать и представлять, чем различаются системы заземления TN, TNC, TNS, TNCS, TT, IT выдуманные, населением земли, в различных точках мира зависимо от развития собственных электросетей.
Что такое заземление
Практически, заземление это преднамеренное (!) соединение частей электроустановки, которые могут проводить ток, с естественным либо искусственным заземлителем.
В свою очередь, заземлитель это проводник, имеющий нужный, поверхностный либо глубинный, контакт с землей.
Формально, хоть какой металлический пруток, вбитый в землю является заземлителем. Практически, дабы стать заземлителем, вбитый пруток обязан иметь нормативное электрическое сопротивление. По норме ПУЭ 7 разд. 1.7.101 это менее 2,4,8 Ом при 660, 380 и 220В (три фазы) и 380, 220 и 127В (одна фаза).

Также по нормативам, в качестве заземлителя могут выступать стальные части строения и сооружений электрически связанные с землей. Но опятьтаки, при выполнении определенных критерий. А конкретно: сопротивление должно быть в нормативе, напряжение прикосновение должно быть в нормативе и естественный заземлитель должен быть довольно надежен, дабы не лопнуть в аварийной ситуации, к примеру, при маленьком замыкании.
Что такое нейтраль
В электротехнике нейтралью именуют контакт, к которому подсоединены обмотки вырабатывающих генераторов либо понижающих (повышающих) трансформаторов, применяемых для питания сети.
- Нейтраль обмоток трансформатора соединенную, с заземляющим устройством установки, именуется глухозаземленной.
- Нейтраль не соединенную, с заземлением, именуют изолированной.
- Есть нейтрали соединенные с землёй через сопротивления.
Что обозначают на схемах L1, L2, L3 и N
- Буковкой N на схемах и в документации обозначают провод (проводник) электропитания соединенный с глухозаземленной нейтралью.
- Знаками L1, L2, L3 либо A, B, C обозначают фазные проводники применяемые для электропитания.
Статьи по теме: Техническое сервис силовых трансформаторов
Что такое PE и PEN проводники
- PE — обозначение нейтрального (не фазного) проводника, применяемого для электробезопасности сетей.
- PEN — это обозначение проводника, который сразу является и рабочим нулём (N) и защитным проводником (PE).
Буковкы применяемые в аббревиатурах.
- Буковка «T», обозначает землю (terre);
- «N» это нейтраль (neuter);
- Буковка «I» это изолированно (isole).
системы заземления: TN система
Система, при которой, нейтральный провод трансформатора глухо заземлен. Защита обеспечивается соединением неизолированных частей электрической установки, способных проводить ток, с глухо заземленной нейтралью трансформатора. Проводник в таком соединении именуют, нулевой защитный проводник (PE).
Практически система TN. Но, нулевой защитный (PE) и нулевой рабочий (N) проводники объединены в одном проводнике (PEN) на всей полосы от трансформатора до электроустановки.

Практически система TN. Но, в отличие от TNC, проводники N и PE не объединены, а разбиты на всей полосы от трансформатора до электроустановки.

TNCS предполагает, что проводники PE и N объединены лишь на участке полосы.

системы заземления tn-c-s
TT (ти-ти)
TT предполагает, что нейтраль трансформатора глухо заземлена, но открытые токопроводящие части установки заземлены через заземляющее устройства. Эти устройства элекетрически не связаны с нейтралью трансформатора.
IT (ай-ти)
IT, предполагает, что нейтраль трансформатора или изолирована от земли, или заземлена через приборы (устройства), с огромным сопротивлением. При всем этом открытые токопроводящие части установки заземлены локальным заземляющим устройством и не связаны с трансформатором.

системы заземления IT
Внедрение систем заземления TN-C, TN-S, TN-C-S
С каждым годом вырастают нужды потребителей. Возникают все новые виды более массивных электрических устройств. При использовании человеком таковой домашней техники нужна надежная и неопасная защита. Одним из вариантов таковой защиты является заземление. Заземление ликвидирует риск поражения человека электрическим током и дает гарантию корректной работы электрического оборудования. Понятие заземления содержит в себе соединение корпуса электроприбора с заземляющим устройством. Организации, проектирующие электрического оборудования, выдают список технических требований, уточняющих систему заземления, к которой нужно подключить данное оборудование. Эти системы заземления предугадывают тип защитной конструкции.

Заземление электрического оборудования
Виды заземления
При разработке, установке и использовании электроустановок, производственных и бытовых электроприборов, электрического освещения, главным требованием обеспечения их функциональности и безопасности становиться кропотливо спроектированное и отменно выполненное заземление. Правила устройства электроустановок содержат в себе главные условия, предъявляемые к системам заземления.

Символ заземления
Существует систематизация систем заземления, обусловленная какими методами и с какими типами заземляющих конструкций, соединены данные электроустановки. Системы делятся на искусственные и естественные заземления.
К естественным типам относятся разные предметы, изготовленные из металла, всегда присутствующие в грунте: арматура, трубы и другие изделия, проводящие напряжение. При эксплуатации таких частей заземления тяжело держать под контролем и предсказывать их эффективность и надежность, потому спецы не советуют и воспрещают применять данный вид при подключении электрического оборудования. В инструкциях и нормативных документах прописывается использование только искусственного защитного заземления.
Искусственное защитное заземление в свою очередь также классифицируется зависимо от принципов деяния и методов строения заземляющих систем. К ним относятся такие виды, как: TN-C, TN-S, TN-C-S.
Истинное подразделение охарактеризовывает схемы заземления и число нулевых рабочих и защитных проводников.
Системы заземления TN-C
В данной системе для защиты эксплуатируется одно объединенное ответвление – нейтраль и земля. Такая система применяется в жилых помещениях и промышленных производствах.

Заземление TN-C
Свойства этой системы:
- доступность и универсальность конструкции, которую совсем не сложно произвести без помощи других;
- минусом TN-C будет то, что она не имеет отдельного заземляющего кабеля;
- в многоквартирном доме эта система будет ненадежной из-за открытых заземляющих проводов, которые находятся под напряжением;
- при применении данного вида системы запрещено создавать выравнивание потенциалов;
- такая система устанавливается на электрическом оборудовании с напряжением до 1000 вольт.
В большинстве случаев TN-C применяется на дачах, в гаражах, личных домах старенькой постройки. Для новых многоуровневых помещений по техническим чертам такую систему использовать нельзя.
Часто традиционным заземлением TN-C становиться четырехпроводная схема электролинии с 3-мя фазами и одним нулевым кабелем. Центральной шиной заземления является глухозаземленная нейтраль, с которой соединяется электрическое оборудование средством нулевых проводов.
Какие провода лучше применять для проводки в квартире. Большая сравнительная статья здесь.
При обстоятельствах, вызывающих разрыв нулевого провода, исчезают защитные функции данной системы. В итоге чего на незащищенной поверхности возникает высочайшее напряжение, опасное для жизнедеятельности человека.
Для надежности заземления нужно раздельно занулить каждый электроприёмник, другими словами присоединять элементы корпуса с нулевым проводом.
Каждый потребитель должен знать какая система находится в его жилье, и сделать нужные меры для защиты себя и собственных близких от злосчастных случаев.
Системы заземления TN-S
Эта система более надежная и неопасная и имеет высочайший уровень безопасности. Механизм работы данной системы, состоит в том, что она имеет два отдельных кабеля – нулевой и заземляющий проводники.
Свойства TN-S:
- очень надежная и действенная система, так как в собственных схемах имеет систему выравнивания потенциалов и устройство защитного отключения;
- минусом TN-S накладность монтажа, так как разделение проводов идет от подстанции, поэтому, приходиться прокладывать дорогостоящий пятижильный кабель на огромные расстояния.
При подаче высокого напряжения, ток вытекает по заземляющему проводнику, вызывая срабатывание устройства защитного отключения. В таком типе делятся защитные функции по отдельным проводам.
Система уничтожает высокочастотные наводки, вызывающие нехорошие помехи, идущие от более массивных электроприборов.
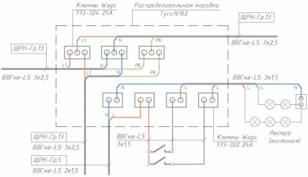
Система заземления TN-C-S
Данная система имеет средний уровень защиты от поражения человека электрическим током.
С целью оптимизации перечисленных выше систем, для роста свойства защиты и уменьшение денежных издержек была выдумана система TN-C-S.

Заземление TN-C-S
Главным механизмом работы таковой системы является комбинированное сочетание 2-ух вышеперечисленных систем. Другими словами до головного распределительного щита прокладывается защитная система TN-C, потом заземляющий провод делится на два проводника и идет уже система TN-S. Данное разделение часто происходит на вводе в жилое помещение. Применяется в реконструкции устаревших построек для улучшения эффективности защиты населения.
Данная защитная конструкция имеет один значимый недочет – при обрыве либо отгорании провода на электроподстанции, до разделения проводников, где еще проходит линия TN-C, в помещении появится высочайшее напряжение, а вследствие — и на присоединенных электроприёмниках.
Во избежание таких случаев нужна дополнительная защита защитного проводника от повреждений.
В ближайшее время перед Русскими предприятиями стоит задачка перехода с системы TN-C на систему TN-C-S, так как конкретный переход с TN-C на TN-S очень дорогостоящий способ и просит больших вложений.