Задачка подключения люстры не так сложна, дабы приглашать для этого мастера. Её (задачку) можно решить своими силами либо как молвят, выполнить своими руками. Для этого для вас пригодится схема подключения люстры и несколько пояснений.
Сущность задачи
Вы приобрели прекрасную люстру для себя в дом. Непринципиально дорогая ваша люстра либо для вас удалось приобрести дешевые люстры в Алматы, для вас необходимо её повесить и подключить.
Заявленный заголовок статьи, схема подключения люстры, не совершенно корректен. Задачка подключения люстры не решается единственной схемой. Таких схем несколько и любая из них реализует определенный вариант управления освещением.
Теория
Не излишним будет вспомнить, что хоть какой источник освещения должен управляться, другими словами врубаться и выключаться. На бытовом уровне управление освещением осуществляется знакомыми выключателями освещения. Выбор их очень большой, дабы на нём останавливаться, только вспомним, что они (выключатели бытовые) бывают:
- Одно, 2-ух, 3-х, 4 клавишные;
- Проходные выключатели;
- Переключатели.
Люстры
Желаю увидеть, по поводу люстр потолочных. Схема подключения люстры потолочной работает для любого типа и вида люстр. Терминология наименования значения не имеет, для этой статьи принципиально, что эти люстры ламповые, а НЕ светодиодные и НЕ люминесцентные.
Также замечу, что существует два типа схем, принципные и монтажные. 1-ые демонстрируют все соединения условно линиями, 2-ые демонстрируют, как должны проводиться монтажные работы.
Для освещения это принципиально, так как в схеме ВСЕГДА участвует тот либо другой выключатель. Тем самым, в монтаже всегда (по правилам) должна участвовать распаячная коробка. Конкретно в распаячной коробке, проводится сборка схемы освещения и проводится подключение выключателей.
Примечание: На практике, распаячной коробкой для сборки схемы освещения может стать потолочная чаша навесной люстры либо корпус потолочного осветительного прибора.
Статьи по теме: Схемы подключения датчика движения

Пример обычный распайки

Еще принципиально увидеть, что люстры на 3-5 ламп, в большинстве случаев на заводе собираются в предусмотренную схему включения. Пятирожковая в схему 3+2, трехрожковая в схему 1+2. При желании эти схемы всегда можно перебрать и выполнить, к примеру, из пятирожковой люстры 3+2, люстру 2+2+1 либо 1+1+1+2.
Примечание: При переборке люстры смотрите, дабы цоколь патрона соединялся с рабочим нулём, а не фазой.
Так же замечу, что все показанные схемы можно применить для одиночных осветительных приборов, к примеру потолочных, размещенных в различным местах комнаты.
Схема подключения люстры потолочной на одну лампу
Самая обычная схема. Участвуют одна люстра на одну лампу и одноклавишный выключатель (хоть какой аналог).
Принципиально! На выключателе ВСЕГДА прерываем фазный провод.

Монтажная схема

Схема подключения трехламповой люстры (трехрожковой) через двухклавишный выключатель (2+1)
Участвуют люстра на три лампы. Необходимо выполнить включение люстры 2+1, другими словами могут пылать одна лампа Либо две лампы Либо три лампы сходу.

Так подключать нельзя

Схема подключения трехламповой люстры (трехрожковой) через трехклавишный выключатель (1+1+1)

Тут могут пылать наборы ламп во всех вероятных вариантах.
Монтажная схема

Схема подключения пятиламповой люстры (пятирожковой) через двухклавишный выключатель (3+2)
Делаем возможность включения 2 либо 3 либо 5 ламп. Для такового управления пригодится двухклавишный выключатель.

Монтажная схема

Схема подключения пятиламповой люстры (1+2+1+1)
Разнообразим варианты включения ламп. Для таковой схемы необходимы четыре кнопки выключателя либо два выключателя с 2-мя кнопками.

Схема подключения пятиламповой люстры (1+1+1+1+1)
Эта схема не так сложна, сколько сложен выбор выключателей, а поточнее их наборов. Берем два двухклавишных и один одноклавишный выключатели.

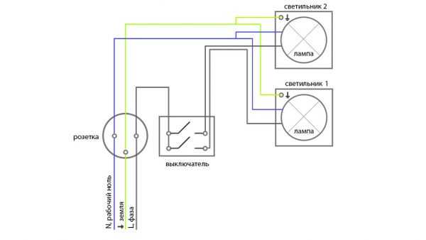
Схема управления люстрой с 2-ух мест
Вариант люстра висит в длинноватом коридоре либо в фойе дома, ей необходимо управлять с 2-ух мест.
Статьи по теме: Выбор настольной лампы десктопа

Схема управления люстрой с 3-х мест
То же, но мест управления три.

©Ehto.ru
Как верно подключить тройной выключатель
Как верно подключить тройной выключатель. Схемы и аннотации
Тройной выключатель применяется для спален либо гостиных с многоуровневым освещением. Нередко применяется для работы освещения прихожей, кухни и ванной. Но для рационального его применения принципиально правильное подключение. Для этого при установке рекомендуется придерживаться следующей пошаговой аннотации.

Аннотация
Разберемся в проводах, торчащих из стенки. Есть правила устройств электроустановок (ПУЭ), которых и необходимо придерживаться при подключении выключателя. Для тройного выключателя правилами предвидено три двужильных провода, в каких одна жила нулевая, а 2-ая – фазная.
Как отличить нулевую жилу от фазной? По правилам цвета проводов различны и каждый имеет свое значение. Синий провод – нулевой; белоснежный (черный либо красный) – фазный.
Распределим провода верно. В случае с выключателем, нулевой проводник приходится на устройство освещения, а на выключатель приходится разрыв фазы. Схема сумеет работать и при установке на выключатель нулевого провода, но вернее и безопаснее установить его на фазу в разрыве.
Проверяем наличие фазы и нуля каждого провода. В этом поможет индикаторная отвертка. При наличии фазы отвертка засветиться, при нуле – нет. Но случается, что индикаторная отвертка ловит фазу параллельно идущего провода. В таких случаях можно применять обыденную лампу. Для этого вкручиваем лампу в патрон и выводим два провода, потом попеременно их замыкаем. Если лампа дает колоритное наибольшее свое освещение, то провод находится на нулевой фазе. Если же освещение лампы блеклое, вроде бы наполовину – мы смотрим разрыв фазы и движемся в правильном направлении. Если лампа не дает света, означает, мы попали на соединение «фаза-фаза» либо «ноль-ноль». Нужно поменять провода местами и повторить функцию.
Читайте также: Подача воды из колодца происходит с перерывами – в чем неувязка?
Подключаем провода к распределительной коробке. Нулевые провода прикрепляются под корпусом выключателя, а к распределительной коробке подсоединяем фазные провода, идущие от осветительных устройств.
С проводами мы разобрались, настало время взяться за сам выключатель.
Подключение трехклавишного выключателя не многим отличается от подключения обыденного. На трехклавишном выключателе имеется один вход для фазы и 3 выхода на лампочки, в большинстве случаев сзади находится схема входа и выходов. Так же может находиться крепление к внутреннему металлическому корпусу, оно для заземления.
Из инструментов нам пригодится отвертка, а может быть и 2 разновидности, плоская и крестовая, приспособление для чистки проводов, для этого подойдет и обыденный ножик.
Непременно перед зачисткой проводов выключите питание автоматов, находящихся в щитке либо около счетчика.
Дальше вставляем и прикручиваем фазу во входное крепление, а провода, идущие к лампочкам в другие 3 крепления, накрепко устанавливаем выключатель в стенку либо стакан, после этого собираем сам корпус.
Проводим финишную проверку на работоспособность тройного выключателя.
Несколько советов по выбору высококачественного выключателя в магазине
Схемы подключения трехклавишных выключателей

Верная схема цепи, где L – фаза, проходящая через ключи и потребители, N – нейтраль.


И призом, схема подключения 3-х лампочек к 3 различным выключателям. По сероватому проводу проходит фаза, а по черному нейтраль.
К слову, тройной выключатель – это 3 различных выключателя, помещенных в один блок.
Таким макаром, подключение нашего тройного выключателя будет соответствовать всем правилам устройств электроустановок.
Соединение 2-ух осветительных приборов одним выключателем
Часто появляется ситуация, когда необходимо, дабы лампочки в одном из помещений врубались из различных мест. На лестничных маршах для таких случаев имеются проходные переключатели, которые сложны в установке, потому в квартирах такие выключатели ставить обычно нецелесообразно.
Еще проще обеспечить включение нескольких лампочек с 1-го обыденного выключателя. О том, как подключить две лампочки к одному выключателю, речь пойдет в этой статье.

Устройство выключателя
Основной элемент переключателя — рабочая часть, монтируемая в подрозетник. Представляет собой конструкцию из металла с прикрепленным приводом. При помощи привода производят включение и отключение устройства. Привод — подвижный контакт, осуществляющий замыкание и размыкание электроцепи между 2-мя статичными контактами.
1-ый контакт именуют входящим: соединяется с фазой из электросети. 2-ой контакт (выходящий) соединяется с фазовым проводником, идущим от осветительного устройства. При корректном расположении переключателя оба недвижных контакта вначале находятся в разомкнутом состоянии. При нажатии на кнопку устройства подвижный контакт провоцирует замыкание обоих недвижных. В итоге по замкнутой цепи их электросети к лампочке поступает ток, и та зажигается.
Дабы обеспечить безопасность, рабочая часть переключателя находится в корпусе из материала-диэлектрика. Корпуса изготавливают из пластика либо фарфора.
Другие составляющие переключателя — рамка и кнопки. Эти элементы обычно создают из пластика. Кнопки фиксируют на приводе рабочей части. Передвигаясь вследствие нажатия, кнопка изменяет положение контакта, что приводит к включению либо выключению света.

Рамка создана для предотвращения случайного прикосновения человека с контактами переключателя. Другими словами, рамка выступает в качестве барьера между находящимися под напряжением элементами и человеком. Фиксация рамки осуществляется винтами либо защелками, выполненными из пластика.
Единственное отличие двухклавишного устройства от одноклавишного — наличие пары выходящих контактов. Каждый контакт связан с проводником фазы одной из ламп.
Обыденный переключатель для одной лампы
На рисунке понизу изображена схема подключения лампочки к обыкновенному переключателю света.

Выключатель устанавливают в фазный разрыв. Ноль направляют на осветительный устройство. Если поставить переключатель на ноль, контакты в скором времени выгорят. Причина в завышенной нагрузке при прохождении электричества на нулевом контакте.
Читать еще: Параллельные выключатели для 1-го осветительного прибора
Другая причина для разрыва фазного проводника — необходимость резвого отключения напряжения от потребителя при появлении чрезвычайной ситуации. Ноль не позволяет обесточить систему, а только размыкает цепь.
Направьте внимание! Электромонтажные работы должны проводится исключительно в обесточенной электросети. При отсутствии способности определения фазного проводника по цветовой схеме разрешается подача тока для проведения «прозвона». До проверки необходимо удостовериться в отсутствии замыканий обнаженной проводки.
Две лампы на один переключатель
Схема подключения 2-ух ламп к одному переключателю идентична с правилами подключения одной лампы. Нулевой проводник последовательно направляют из распредкоробки через все источники освещения. Фазовый провод, идущий через выключатель, присоединяют ко вторым контактам лампочек.
Контакты должны соединяться очень накрепко. Рекомендуется применять клеммные колодки. Соединения производят винтами либо колодками Wago (проводник прижимается пружинкой).
Направьте внимание! Неприемлимо производить скрутку из проводов различных металлов (медные и дюралевые). В неприятном случае результатом таких действий станет окислительный процесс, что приведет к разбалтыванию контакта и перегреванию.
На схеме ниже показано подключение 2-ух лампочек к одноклавишному выключателю.

На каждом из источников света есть маркировка, где указан предел нагрузки. Эту информацию необходимо подразумевать при расчете общей мощности подключаемых осветительных устройств.
Двухклавишный выключатель
Двухклавишные переключатели применяют в помещениях с раздельным освещением, когда необходимо подключить люстру с несколькими рожками. Подобные выключатели используют в раздельных узлах (устанавливают между дверьми в ванную комнату и туалет).
Двухклавишный выключатель отличается более малогабаритным размером в сопоставлении с 2-мя одноклавишными, потому его установка оправдана во всех случаях, когда необходимо сберечь место на стенке.
Раздельное освещение
Схожая схема нередко применяется в офисных зданиях, где необходимо раздельно освещать огромное количество локальных участков. Схема раздельного освещения не отличается особенной сложностью, хотя и просит особых познаний.

Переключатель ставят в разрыв фазы. Устройства обустроены одним вводным и 2-мя выходными контактами напряжения. Фазовые провода после выключателя идут к осветительным устройствам. Нулевой проводник будет общим для всех источников света в помещении.
В итоге нажатие на одну из кнопок приводит к включению только присоединенных к определенной фазе устройств. Другие источники света при всем этом не врубаются.
Люстра с несколькими рожками
Для подключения многорожкового осветительного устройства при помощи двухклавишного переключателя пригодится трехжильный проводник. Одну жилу укорачивают так, дабы провести ее в распредкоробку, а пара других жил должны доходить до переключателя.
Читать еще: Точечный осветительный прибор неизменного тока
На прерыватель направляют фазовый провод. Отходящие проводники закрепляют в клеммниках переключателя. В комплекте осветительного устройства имеется вывод из 3-х проводов: нулевой и два фазных. Ноль из распредкоробки направляют на нулевой контакт, а отходящие провода из выключателя соединяют с фазами многорожковой люстры.
Схема подключения люстры с пятью рожками изображена на рисунке ниже.

В итоге создается подключение, где нажатие одной кнопки приводит к включению только пары ламп. Другая кнопка управляет 3-мя лампами. Если необходимо включить все лампочки, следует надавить обе кнопки. В конечном счете такая схема обеспечивает выбор из 3-х вариантов интенсивности света: с 2-мя, 3-мя либо пятью лампочками.
В торговых сетях имеются переключатели с 3-мя кнопками. Схема их подключения чуток труднее, но в целом идентична с приведенными ранее.
Подключение от розетки
В некоторых случаях необходимо подключить дополнительный осветительный устройство с выделенным переключателем. В таковой ситуации подойдет подключение от имеющейся розетки.

При монтаже одноклавишного переключателя пригодятся двужильный провод и устройство включения. Для устанавливаемого над розеткой прерывателя напряжения из нее отводятся ноль и фаза. Фазовый провод прерывается снутри переключателя, а нулевой проводник оставляют в целостности. Остальные осветительные приборы, имеющиеся в схеме, обеспечиваются электропитанием аналогично приведенным выше схемам.
При электромонтажных работах пригодится три жилы (ноль и две фазы). Для трехклавишного выключателя нужно на одну фазовую жилу больше.
Подключение ламп с преобразователем
Для организации освещения точечными потребителями можно применять сети 220 Вольт либо 12-вольтовые преобразователи. Последние делают задержку включения на несколько секунд, после этого плавненько передают ток электроприборам.
Схема позволяет заботливо относиться к лампам накаливания либо галогенным источникам света, так как защищает их от перепадов напряжения.
Схема подключения показана на рисунке ниже.

В случае применения преобразователя переключатель устанавливают до него. Для этого есть две принципиальные технологические предпосылки:
- Уменьшенное напряжение связано со значимой силой тока. Прерыватели не рассчитаны на таковой режим работы, в итоге чего может быть выгорание контактов.
- Преобразователь позволяет плавненько включать лампу. Если поставить прерыватель после преобразователя, плавный запуск обеспечить не получится, и электроэнергия поступит скачкообразно прямо за нажатием кнопки.
Читать еще: Led осветительный прибор стенной с розеткой
Если предстоит установка выключателя с 2-мя кнопками, пригодится 2-ой преобразователь. Его электропитание будет поступать от 2-ой полосы. Нулевой проводник будет общим.
Электромонтаж просит особенного дела к безопасности. Приступать к работе следует только после обесточивания сети. Если нет убежденности в собственных силах и хотя бы базисных знаний в электротехнике, лучше обратиться за помощью к квалифицированному электрику.
Как подключить две лампочки к одному выключателю: схема и аннотация
Как подключить двухпозиционный переключатель (со схемой)
В этом руководстве мы покажем для вас, как выполнить 2-стороннее коммутационное соединение . Обоестороннее переключающее соединение значит, что вы сможете управлять таким электрооборудованием, как лампочка, при помощи 2-ух переключателей, расположенных в различных местах, обычно применяемых на лестнице. Двухсторонним переключателем можно управлять независимо от любого переключателя, это значит, что независимо от положения другого переключателя (ВКЛ / ВЫКЛ), вы сможете управлять светом при помощи другого переключателя.
Существует два способа подключения к 2-проводному переключению : один — 2-проводное управление , а другой — 3-проводное управление .Мы растолковали оба способа ниже, и оба способа продемонстрированы в Video , приведенном в конце этой статьи.
Нужные составляющие
- Два двухпозиционных переключателя
- Лампа
- Электропитание переменного тока
- Соединительные провода
Как подключить проводку двухпозиционного переключателя при помощи двухпроводного управления
Это 1-ый способ двухсторонней коммутации, это старенькый способ .Если вы собираетесь установить новый, используйте трехпроводной способ управления.
Как вы видите на схеме 2-ходового переключателя ниже , вы обнаружите, что фаза / напряжение соединены с общим проводом первого 2-ходового переключателя. PIN1 и PIN2 первого переключателя связаны с PIN1 и PIN2 второго переключателя соответственно. Один конец лампы подключен к общей клемме второго переключателя, а другой конец лампы подключен к нейтральной полосы источника питания переменного тока.
Примечание: При 2-проводном способе управления, когда переключатели находятся в обратном состоянии , свет будет в выключенном состоянии , как показано на схеме ниже:
Условие получения выхода в состоянии ВКЛ такое же, как в таблице истинности Ex-nor, которая приведена ниже: