
Невзирая на то что в бытовых розетках, как понятно, находится переменное напряжение величиной 220 В, подавляющее большая часть электронных устройств просит намного наименьших значений. Более того, это питание должно осуществляться не переменным, а неизменным током. Вот поэтому фактически каждый бытовой устройство имеет в составе собственной схемы выпрямитель — диодный мост.
Неизменный и переменный ток
Из учебного курса физики все знают, что электрический ток предполагает протекание электрического заряда из 1-го проводника в другой. В отличие от неизменного тока, который вправду идет в одном направлении (от минуса к плюсу), переменный течет поначалу в одну сторону, а потом — в другую. Если подключить к розетке осциллограф, можно получить схематическое изображение такового движения тока.

На рисунке представлена осциллограмма переменного тока, где по оси абсцисс показано время, а по оси ординат — напряжение. Из графика отлично видно, что напряжение плавненько наращивается до величины 220 В, позже миниатюризируется до нуля и наращивается до той же величины, но с обратным знаком. Другими словами, напряжение в розетке повсевременно меняет символ со скоростью 50 раз за секунду.
Для сопоставления можно подключить щупы осциллографа к источнику неизменного тока. В качестве него могут употребляться клеммы батарейки. В данном случае картина будет несколько другая.

Осциллограмма неизменного тока, показанная на изображении, наглядно показывает, как в протяжении всего времени напряжение на клеммах имеет постоянную величину. При замыкании цепи ток будет течь в одну сторону.
Особенности видов напряжения
Появляется закономерный вопрос о том, для чего в розетках применяется переменный ток, если подавляющее большая часть электронной аппаратуры питается неизменным током. Дело в том, что для питания узлов той либо другой аппаратуры требуются напряжения разной величины. Микропроцессор компьютера, к примеру, питается 3 В, а мобильный телефон просит для собственной зарядки целых 5 В. Усилителю музыкального центра необходимо уже около 25 В.
Неизменное напряжение довольно трудно трансформировать из одной величины в другую, а вот переменное — просто. Для этого служат, например, трансформаторы. Некоторые принципиальные силовые узлы, такие как движки, все таки нуждаются в переменном напряжении. Потому промышленные генераторы, питающие штепсельные розетки, вырабатывают его до принятой величины (к примеру, 220 В), а каждый устройство уже на месте получает из него то, что ему нужна.
Выпрямление электроэнергии
До конца XIX века преобразование переменного напряжения в неизменное было неувязкой. С изобретением диодика — поначалу вакуумного, а позднее и полупроводникового — ситуация в корне поменялась. Благодаря своим уникальным свойствам, диодик отлично различает полярность и позволяет просто сортировать токи с необходимым направлением. Поначалу для этих целей использовались отдельные диоды, позднее появились диодные мосты, обеспечивающие высочайшее качество выпрямления.
Читайте также: Как открутить болт с сорванными гранями либо у которого сорвана резьба
Выпрямитель на одном диодике
Диодик проводит ток исключительно в одном направлении, вот поэтому его и именуют полупроводниковым устройством. Если к катоду устройства подключить плюс источника напряжения, а к аноду — минус, диодик будет вести себя как обыденный проводник. Если полярность поменять, то устройство закроется и перевоплотится в диэлектрик. Для ответа на вопрос о том, что это даёт, придется собрать простейшую схему и опять вооружиться осциллографом.

На схеме изображена работа полупроводникового диодика в цепи переменного тока. Осциллограмма слева указывает картину на выходе трансформатора — обыденный переменный ток. После диодика всё значительно изменяется — на графике исчезает отрицательная полуволна переменного напряжения. Ток еще не стал неизменным, но он уже не переменный — движения электрического заряда в оборотном направлении нет. Таковой род тока принято именовать пульсирующим. Им еще нельзя питать электронику, но конфигурации налицо. Остаётся сгладить пики импульсов. Это делают при помощи конденсаторов.

На схеме представлен однополупериодный выпрямитель со сглаживающим конденсатором. Во время положительного импульса напряжение не только лишь питает нагрузку, но и сразу заряжает конденсатор. Когда импульс завершается, конденсатор дает скопленную энергию, сглаживая скачки напряжения.
Чем выше емкость конденсатора, тем больше энергии он сумеет запасти, и тем больше напряжение будет прогуляться на неизменное.
Двухполупериодный устройство
Невзирая на значимые успехи, достигнутые в преобразовании переменного тока в неизменный предшествующим тестом, итог ещё далек от эталона. Дело в том, что частота переменного тока достаточно низкая (50 Гц), а навешивание сглаживающих конденсаторов имеет свои ограничения. Для того дабы значительно сделать лучше форму выходного сигнала, необходимо прирастить частоту.
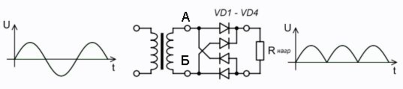
Но в розетках она строго фиксирована и не находится в зависимости от наружных причин. Отрицательная полуволна напряжения срезается диодиком. Поменять её полярность совершенно нетрудно — довольно только добавить несколько диодов, собрав мостовую схему. На рисунке представлен двухполупериодный выпрямитель на четырёх диодиках, объясняющий то, как работает диодный мост:

При возникновении положительной полуволны диоды VD2, VD3 окажутся включенными в прямом направлении и будут открыты. VD1, VD2 — закрыты. Полуволна свободно проходит к выходу выпрямителя. Когда напряжение сменит полярность, пары диодов обменяются местами — VD1 и VD4 раскроются, VD2 и VD3 закроются. Отрицательная полуволна тоже пройдет к выходу, но поменяет полярность. В итоге получится все то же импульсное однополярное напряжение, но частота его возрастет в два раза. Остается добавить сглаживающий конденсатор и поглядеть, что получится.

Двухполупериодный выпрямитель со сглаживающим конденсатором на изображении указывает, что намеченная цель решена: переменное напряжение преобразовано в неизменное. Естественно, всепостоянство неидеально — имеются пульсации, но с ними можно биться при помощи фильтров. К тому же неважно какая электроника допускает ту либо иную величину пульсаций.
Читайте также: Изготовка ножика из ратфиля своими руками в домашних критериях
Такая схема, состоящая из 4 диодов, стала традиционной и получила название диодного либо выпрямительного моста. Существует отдельная категория электронных устройств — выпрямительные мосты. Они состоят из 4 диодов, соединенных между собой подходящим образом. В качестве примера можно поглядеть на выпрямительный мост КЦ402Г и его электрическую схему.

Выпрямительный мост своими руками
Каждый, кто занимается конструированием электронных устройств, не обходится без выпрямителя. Он находится фактически в каждом самодельном приборе, питаемом от сети. Для того дабы собрать выпрямитель, недостаточно взять четыре диодика и скрутить им ножки согласно приведенной схеме. Для того дабы мост работал, придется поближе познакомиться с диодиками и их чертами перед тем, как браться за паяльничек. Главные свойства, которые пригодятся при построении выпрямителя у полупроводников, следующие:
- Очень допустимое оборотное напряжение. Напряжение, которое способен выдерживать диодик в закрытом состоянии.
- Очень допустимый прямой ток. Ток, который может долговременно выдерживать диодик без повреждения.
- Прямое напряжение. Величина падения напряжения на открытом диодике.
- Граничная частота. Частота переменного тока, на которой устройство еще может работать.
При сборке сетевого выпрямителя, способного отдавать в нагрузку ток в 1 А, нужно выполнить диодный мост на 12 вольт. Так смотрится практическая схема мостового выпрямителя.

Сначала, нужно верно всё высчитать и подобрать подходящий тип полупроводников, исходя из имеющихся диодов. Если в распоряжении есть диоды Д226, КД204А, КД201А и Д247, необходимо открыть справочник и ознакомиться с их основными чертами (напряжением, током и граничной частотой):
- Д226 — 400 В, 0,3 А, 1 кГц;
- КД204А — 400 В, 0,4 А, 50 кГц;
- КД201А — 100 В, 5 А, 1,1 кГц;
- Д247 — 500 В, 10 А, 1 кГц.
Все четыре типа диодов подходят по напряжению и частоте, но 1-ые два не выдержат ток в 1 А. Остаются КД201А и Д247. Решение взять те либо другие находится в зависимости от конструкции блока питания. 1-ые диоды компактнее, 2-ые имеют неплохой припас по току.
Сглаживающий конденсатор С1 необходимо выбирать по типу, электрической емкости и напряжению. Пригодится электролитический конденсатор емкостью от 1 000 до 20 000 мкФ с рабочим напряжением не ниже 25 В. Чем выше емкость сглаживающего конденсатора, тем лучше будет выпрямленное напряжение, но тем больше по габаритам окажется сама конструкция. Всю нужную информацию, включая емкость, полярность и рабочее напряжение можно узреть прямо на конденсаторе.
Осталось включить паяльничек и спаять схему, не запамятывая при всем этом, что электролитические конденсаторы — полярные приборы. Они имеют плюс и минус, путать которые нельзя.
Читайте также: Пайка медных труб своими руками с помощью газовой горелки
Выбор типа сборки
Внедрение выпрямительного моста заместо 4 диодов не только лишь значительно упрощает сборку, но и делает конструкцию более малогабаритной. Принцип выбора типа сборки тот же — по напряжению, току и частоте. Дабы найти, подойдет ли, например, сборка КЦ402Г, фото и схема которого приведены выше, необходимо обратиться к справочнику. В нём указаны следующие свойства моста:
- наибольшее оборотное напряжение диодов — 300 В;
- прямой ток всей сборки — 1 А;
- граничная частота — 5 кГц.
Мостик подходит, но микросборка будет работать на пределе собственных способностей по току. Для обеспечения надежности схемы лучше применять более мощнейший устройство. К примеру, мост КЦ409А на ток 3 А либо КЦ409И на 6 А.
Проверка частей
Часто в самодельных устройствах приходится применять детали, уже бывшие в употреблении. Перед установкой все такие комплектующие должны быть испытаны. Так как выпрямительная сборка представляет собой четыре диодика, присоединенных встречно-последовательно, а до выводов всех диодов можно добраться щупом, вопрос от том, как прозвонить диодный мост, решается тривиально.
Для этого довольно измерить обыденным омметром сопротивление каждого диодика, ориентируясь на схему выпрямителя и цоколевку моста. В одной полярности щупов устройство должен демонстрировать высочайшее сопротивление, в другой — низкое. Когда соответственный диодик пробит, в обоих положениях щупов сопротивление будет низким, если сгорел — высочайшим.
Внедрение барьера Шоттки
Еще одна основная черта, которая не использовалась в прошлых расчетах, — прямое падение напряжения на открытом диодике. Диодик только на теоретическом уровне проводит ток в одну сторону, а диэлектрик — в другую. На практике в прямом подключении на приборе падает напряжение, которое может достигать 1,5 В и поболее.
Это означает, что напряжение на выходе однополупериодного выпрямителя будет ниже входного на 1,5 В, а если применять мостовую схему, то на все 3 В. Не считая того, вольты, помноженные на протекающий через выпрямитель ток, будут никчемно рассеиваться на диодиках в виде тепла, понижая КПД схемы.
Избежать схожей проблемы позволяют диоды с барьером Шоттки. Они отличаются низким (десятые вольта) прямым падением напряжения, а означает, собранная на них схема будет владеть более высочайшим КПД и работать в облегченном режиме. Вид и схема сильной диодной сборки Шоттки представлены на изображении.

Сейчас и отдельные диоды, и диодные мосты Шоттки применяются в качестве выпрямительных очень обширно и выпускаются как отдельными устройствами, так и сборками. Установка выпрямителя на диодиках Шоттки ничем не отличается от сборки на обыденных диодиках.
Схема диодного моста выпрямителя
Обширное распространение в радиотехнике получил диодный мост. Он применяется в блоках питания и делает функцию выпрямления переменного напряжения. Таким макаром, при помощи выпрямителя входной переменный электрический ток преобразуется на выходе в неизменный ток. Ведомую роль в этом процессе играет схема диодного моста выпрямителя. В итоге на выходе происходит образование пульсирующего напряжения. Его частота вдвое превосходит входную, но полярность отличается высочайшей стабильностью. Для того, дабы осознать, как работает данный элемент, необходимо точно знать, каким образом осуществляется сам процесс преобразования.
Достоинства диодного моста в преобразовании тока
Полупроводниковый диодик обладает принципиальным свойством, которое заключается в его возможности пропускать электрический ток исключительно в одну сторону. Благодаря этому свойству, диоды стали основной деталью выпрямителей тока.

Практически, можно применять всего один элемент и выпрямляющее устройство все равно будет работать. Оно понятно под заглавием однополупериодного выпрямителя. В этом случае диодик, находящийся в цепи, пропускает только один полупериод переменного тока с положительным значением. Тем самым происходит утрата одной половины волны, приводящая к значительному понижению КПД таких выпрямительных устройств. Потому они применяются исключительно в высокочастотных блоках питания и не подходят для стандартной частоты.
В большинстве устройств данного типа используются диодные мосты, состоящие из 4 частей. Дабы пропускать обе половины волны переменного тока, на каждом входе имеется два диодика. Метод их подключения позволяет положительной полуволне уходить на выход с «плюсом», а отрицательной – на выход с «минусом». Благодаря противофазным колебаниям на входах, напряжение на выходе берется попеременно, с каждого из них. В итоге обе полуволны суммируются в общее значение тока.
Полная фильтрация переменного тока на выходе осуществляется при помощи конденсатора. Во время подъема полуволны происходит скопление заряда, который, потом, отдается в процессе ее спада. Для улучшения работоспособности выпрямителя используются транзисторы, переменные резисторы и другие дополнительные элементы.
Особенности диодных мостов и их использование
Данный вид сборки состоит из 4 диодов с одинаковыми параметрами, размещенными в общем корпусе. Вся конструкция имеет 4 вывода, к двум из которых подключается переменное напряжение. Другие выводы являются выходными и обозначаются как «+» и «-».

Схема диодного моста выпрямителя может состоять из раздельно взятых диодов либо применять цельную диодную сборку. Такая сборка существенно упрощает ее установка. Но, при выходе из строя хотя-бы 1-го диодика, подмене подлежит вся конструкция. Все же, она более технологичная, занимает не достаточно места, а для всех составных частей обеспечивается однообразный термический режим. При отсутствии цельной конструкции она просто заменяется 4-мя отдельными деталями, с одинаковыми параметрами и техническими чертами. Такая схема позволяет свободно поменять любые неисправные элементы.
Без диодных мостов нереально представить для себя электронику, питание которой осуществляется через однофазовую сеть переменного тока, напряжением 220 вольт. Она применяется не только лишь в трансформаторных, но и импульсных блоках питания. Живым примером служит блок питания компьютера.
Малогабаритные люминесцентные лампы также оборудованы диодными мостами. Они используются в энергосберегающих лампах, в конструкциях печатных плат. Для сварочных аппаратов предусмотрены схемы с очень высочайшей мощностью.
Диодный мост – что же все-таки это такое?
Как мы знаем, в наших розетках протекает переменный электрический ток с напряжением в 220 вольт. Но как быть если нам необходимо запитать низковольтный приемник, которому нужна неизменный ток? Если с напряжением все понятно – нам поможет трансформатор, то как выполнить из переменного тока неизменный – вопрос.
В этой ситуации нам на помощь идёт такое устройство как выпрямитель.Это устройство содержится практически во всех электронных устройствах, которые работает на неизменном токе, от сварочных полуавтоматов, до блоков питания. В статье мы разглядим традиционную схему выпрямителя из 4 диодов, которая называется выпрямительным диодным мостом.
Зачем нужен диодный мост

Как мы должны были осознать, диодный мост нужен для того, дабы выполнить из переменного тока неизменный. Это устройство вымыслил германский ученый Леоц Гретц, 2-ое название диодного моста – мостовая схема Гретца.
Принцип деяния такой: на вход диодного моста подается переменный электрический ток, а на его выходах возникает неизменный пульсирующий ток. Частота пульсаций находится в зависимости от частоты переменного тока.
Если взять стандартное значение частоты для наших широт (50 Гц), то частота пульсаций неизменного тока будет равна 100 Гц. Для того, дабы сгладить пульсации, ставиться конденсатор – это устройство будет всеполноценным выпрямителем.
Схема, которая рассматривается в данной статье, применяется в двухфазной сети. Для трехфазной сети применяется другие схемы, которые не подвергнутся рассмотрению в этой статье. Осуществляется в виде 4 соединённых диодов либо диодной сборки. Диодная сборка – это тот же диодный мост, только изготовлен в одном корпусе. У обоих вариантов выполнения есть свои плюсы и недочеты. К примеру, в случае неисправности 1-го из диодов, продеться поменять всю диодную сборку – это ее минус.
Будет интересно➡ Варисторы – что же все-таки это такое, принцип деяния, свойства и характеристики.
При подборе диодного моста либо отдельных диодов для него, учитываются следующие свойства:
- Оборотное напряжение диодов;
- Оборотный ток диодов;
- Продолжительно допустимый ток;
- Наибольшая рабочая температура;
- Рабочая частота (животрепещуще для высокочастотных устройств).

Это главные характеристики, по которым подбираются диоды для самостоятельной сборки либо диодные мосты. Все находится в зависимости от нагрузки, которую вы желаете запитать, но будь то блок питания либо зарядное устройство, лучше взять с припасом, ежели вплотную.
Это обезопасит ваше устройство. Бывают ситуации, когда диодный мост может сильно греться либо даже сгореть. Это происходит из-за высокого тока, которые проходя по диодикам нагревает их, или из-за отвратительного остывания, в особенности в массивных устройствах.
Для наилучшего остывания и профилактики сгораний диодного моста, рекомендуется применять радиаторы, которые будут отлично рассеивать тепло.

Диоды тоже имеют свое сопротивление и на каждом из них падает напряжение. Для высоковольтных аппаратов – это не значительные утраты, но для низковольтных приемников (до 12 вольт) такие утраты будут существенны.
В этой ситуации в место обыденных диодов, в схеме применяется диоды Шоттки. На выпрямителе из таких диодов будет низкое падение напряжения, применимое для низковольтной аппаратуры.
Из-за особенностей диодов Шоттки, такие диодные мосты могут работать на сверхвысоких частотах. Но будьте аккуратны, при мельчайшем превышении оборотного напряжения, такие диоды выходят из строя.
Схема диодного моста
Как мы узнали выше, схема диодного моста состоит из 4 полупроводниковых диодов, соединенных по схеме Гретца. Такая схема еще именуется двухполупериодным выпрямителем.
На принципных схемах диодный мост может обозначаться по-разному, или как схема из 4 диодов, или как один большой диодик в ромбике. Сущность его от этого не изменяется, вот несколько примеров:
Будет интересно➡ Что такое термическое реле
А вот так обозначается выпрямитель со сглаживающим конденсатором:

Как работает диодный мост
Механизм работы диодного моста довольно прост. Переменный ток имеет две полуволны: положительную отрицательную. Каждое плечо (2 диодика) выпрямляют свою полуволну, в то время как 2-ое плечо перекрывает протекание тока в другом направлении. В итоге выпрямляется два полупериода, а на выводах всегда постоянная полярность.
Подключить диодный мост не составит труда, ведь это схематично показано на всех УГО (это и есть схема подключения) этого устройства. В случае с подключением диодной сборки, ее выводы обозначены соответствующыми обозначениями.
Собрать диодный мост без помощи других тоже проще обычного. Если вы уже подобрали диоды, то довольно припаять их концы соответственно схеме. Но перед этим не поленитесь проверить диоды на исправность и не спутайте их полярность.
Обычно катод и анод указаны на корпусе диодов.

Если остались вопросы, то советуем к просмотру видео, дабы отыскать ответы на оставшиеся вопросы.
Вывод
В статье мы разглядели такое традиционное электронное устройство как диодный мост. Исследовали его схему и разобрались в механизме работы. Я, как создатель этой статьи, надеюсь, что она будет понятна даже чайнику и эти познания посодействуют для вас в освоении радиоэлектроники.