Обыкновенные измерители емкости
Многие современные и некоторые не очень современные мультиметры имеют функцию измерения емкости. Если же такового мультиметра нет, а есть только устройство, которым можно определять сопротивление и ток, то легкие приспособления к нему позволят проверить работоспособность и выяснить емкость неполярных и даже полярных конденсаторов емкостью от единиц либо 10-ов пикофарад до сотен и тыщ микрофарад. О таких приставках и рвссказывает создатель публикуемой статьи.
Сначала упомяну так именуемый способ баллистического гальванометра, либо, как его именуют в просторечии, способ отскока стрелки. Под отскоком понимают краткосрочное отклонение стрелки. Этот способ совсем не просит дополнительных приспособлений и позволяет грубо оценить характеристики конденсатора, сравнивая его с заранее исправным. Для этого мультиметр включают на предел измерения сопротивления и щупами дотрагиваются до выводов за ранее разряженного конденсатора (рис. 1). Ток зарядки вызовет краткосрочное отклонение стрелки, тем большее, чем больше емкость конденсатора. Пробитый конденсатор имеет сопротивление, близкое к нулевому, а конденсатор с оборванным выводом не вызовет никакого отличия стрелки омметра.
На пределе "Омы" удается инспектировать конденсаторы емкостью в тысячи микрофарад. При проверке оксидных конденсаторов нужно соблюдать полярность, за ранее определив, на каком из выводов мультиметра находится плюсовое напряжение (полярность выводов мультиметра в режиме измерения сопротивлений может и не совпадать с полярностью в режиме измерения токов либо напряжений). На пределе "кОм х 1" можно инспектировать конденсаторы емкостью в сотки микрофарад, на пределе "кОм х 10" — в 10-ки микрофарад, на пределе "кОм х 100" — в единицы микрофарад и, в конце концов, на пределе "кОм х 1000" либо "МОм" — в толики микрофарады. Но конденсаторы емкостью в сотые толики микрофарады и наименее дают очень маленькое отклонение стрелки, потому судить об их параметpax становится тяжело.
На рис. 2 приведена схема измерения емкости при помощи понижающего трансформатора и диодного моста. Так удается определять емкости от тысячи пикофарад до единиц микрофарад. Отклонение стрелки устройства тут размеренное, потому считывать показания легче. Ток в цепи миллиамперметра РА1 пропорционален напряжению вторичной обмотки трансформатора, частоте тока и емкости конденсатора. При частоте сети 50 Гц, а это наш бытовой эталон, и вторичном напряжении трансформатора 16 В, ток через конденсатор емкостью 1000 пФ будет около 5 мкА, через 0,01 мкФ — 50 мкА, через 0,1 мкФ — 0,5 мА и через 1 мкФ — 5 мА. Калибровать либо инспектировать показания также можно при помощи заранее исправных конденсаторов известной емкости.
Резистор R1 служит для ограничения тока до значения 0,1 А в случае недлинного замыкания измерительной цепи. Большой погрешности в показания на обозначенных границах измерений этот резистор не заносит. Трансформатор понижающий, лучше компактный, схожий тем, что применяют в маломощных блоках питания (сетевых адаптерах). На вторичной обмотке он должен обеспечивать переменное напряжение 12. 20 В.
Измерить емкость конденсаторов от 10-ов до тысячи пикофарад дозволит устройство, собранное по схеме на рис. 3. Макетом предлагаемого измерителя послужила схема, предложенная в статье [1]. Практически, это автогенератор с кварцевым резонатором. Схема возбуждения кварца выбрана другой, чем в макете. Изготовлено это по двум причинам: во-1-х, дабы уменьшить воздействие паразитной проходной емкости транзистора между его базой и коллектором на работу генератора, во-2-х, дабы ослабить возможность возбуждения генератора на высших гармониках резонатора. Сам же механизм работы устройства прежний, потому полезно будет прочесть всю статью [1].
Работает устройство следующим образом. Когда частота колебательного контура L1C2 в цепи коллектора транзистора VT1 оказывается близкой к частоте основного резонанса кварцевого резонатора ZQ1, возбудившийся генератор потребляет малый ток. Омметр, который питает устройство энергией, уменьшение тока будет принимать как повышение измеряемого сопротивления. Таким макаром, при помощи омметра удается держать под контролем процесс опции контура в резонанс конденсатором переменной емкости (КПЕ) С2. Частота генератора определяется резонансной частотой кварцевого резонатора, а емкость и индуктивность колебательного контура при резонансе взаимосвязаны в согласовании с формулой Томсона [2]: f = 1/2WLC. Меняя индуктивность катушки контура, нужно достигнуть, дабы резонанс наблюдался при емкости КПЕ, близкой к наибольшей. Контролируемые конденсаторы подключают параллельно КПЕ, при всем этом резонанс будет наблюдаться при другом положении ротора КПЕ. Его емкость уменьшится на величину разыскиваемой.
КПЕ нужно оснастить шкалой, проградуированной в пикофарадах при помощи четких, заранее исправных конденсаторов. В устройстве можно применить хоть какой маломощный транзистор, способный генерировать на частоте кварцевого резонатора. При использовании р-п-р транзистора полярность питания меняют на обратную. Конденсатор С1 следует подобрать очень большой емкости, при которой еще появляется генерация на основной частоте кварцевого резонатора. В данном случае уменьшится возможность того, чтс кварц будет возбуждаться на высших гармониках. КПЕ лучше применять трехсекционный, с воздушным диэлектриком, от старенькых ламповых приемников. Емкость одной секции такового конденсатора меняется приблизительно от 12 до 490 пФ. Если все три секции соединить параллельно, то с учетом паразитных емкостей получим КПЕ, изменяющий емкость приблизительно от 50 до 1500 пФ. Можно применить и двухсекционный конденсатор, соединив его секции параллельно. Наибольшая емкость такового конденсатора составит около 1000 пФ. В качестве катушки индуктивности L1 применен дроссель ДПМ-2,4 индуктивностью 20 мкГн. Катушку можно сделать и без помощи других. Индуктивность однослойной цилиндрической катушки без магнитопровода определяют по следующей эмпирической формуле: L [мкГн] = DN2/(1000Nh/D+440), где D — поперечник катушки [мм]; N — число витков; h — шаг намотки [мм], а при намотке виток к витку это просто поперечник провода.
Многофункциональную схему омметра и особенности его подключения можно поглядеть в статье [3]. Лучше избрать предел, на котором омметр развивает ток недлинного замыкания порядка 1 . 2 мА, и найти полярность выходного напряжения. При неверной полярности подключения омметра устройство не заработает, хотя и не выйдет из строя. Измерить напряжение холостого хода, ток недлинного замыкания омметра и найти его полярность на разных границах измерения сопротивления можно при помощи другого устройства. При помощи описанной приставки можно определять индуктивность катушек в границах примерно 17. 500 мкГн. Это при использовании кварцевого резонатора на частоту 1 МГц и КПЕ емкостью 50. 1500пФ. Катушку для этого устройства делают сменной и калибруют устройство, используя эталонные индуктивности. Можно также применять приставку как кварцевый калибратор.
Заместо устройства по схеме рис. 3 можно предложить наименее громоздкое, в том отношении, что не потребуются КПЕ, кварц и катушка. Его схема показана на рис. 4. Назову эту приставку "Преобразователь емкости в активное сопротивление с питанием от омметра". Она представляет собой двухкаскадный УПТ на транзисторах VT1 и VT2 разной структуры и конкретной связью между каскадами. Измеряемый конденсатор Сх включают в цепь положительной оборотной связи с выхода на вход УПТ. При всем этом появляется релаксационная генерация и транзисторы часть времени остаются закрытыми. Этот промежуток времени пропорционален емкости конденсатора.
Пульсации выходного тока фильтрует блокировочный конденсатор С1. Усредненный ток, потребляемый устройством, при увеличении емкости конденсатора Сх становится меньше, и омметр принимает это как повышение сопротивления. Устройство уже начинает демонстрировать реакцию на конденсатор емкостью 10 пФ, а при емкости 0,01 мкФ его сопротивление становится огромным (сотки килоом). Если сопротивление резистора R2 уменьшить до 100 кОм, то интервал измеряемых емкостей составит 100 пФ. 0,1 мкФ. Изначальное сопротивление устройства — около 0,8 кОм. Тут необходимо подчеркнуть, что оно нелинейное и находится в зависимости от протекающего тока. Потому на различных границах измерения и с различными устройствами показания будут различаться, и для проведения измерений нужно ассоциировать разыскиваемые показания с показаниями, даваемыми примерными конденсаторами.
С. Коваленко, г. Кстово Нижегородской обл. Радио 07-05.
Литература:
1. Пилтакян А. Простые измерители L и С:
Сб.: "В помощь радиолюбителю", вып. 58, с.61—65. — М.: ДОСААФ, 1977.
2. Поляков В. Теория: Понемногу — обо всем.
Расчет колебательных контуров. — Радио, 2000, № 7, с. 55, 56.
3. Поляков В. Радиоприемник с питанием от. мультиметра. — Радио, 2004, № 8, с. 58.
Измеритель емкости конденсаторов
Электрические цепи, состоящие из проводников и полупроводников, содержат в себе элементы, дозволяющие копить заряды и отдавать их в подходящий момент. Из-за этой особенности такие элементы вначале стали именовать ёмкостью. Название пришло со времён, когда электричество считали жидкостью, а её накопитель – сосудом. Это не совершенно удачное определение применяется до сего времени, хотя сам элемент именуется конденсатор.

Типы конденсаторов и их внешний облик
Устройство и свойства конденсатора
Конструкция конденсатора представляет собой две токопроводящие пластинки, разделённые диэлектриком. Если приложить к пластинам напряжение от источника неизменного тока, то ток куцее время будет протекать через конденсатор, и он зарядится. На его пластинках (обкладках) накопится напряжение, равное напряжению источника. Продолжительность протекания тока и ёмкость его заряда зависят от площади обкладок и расстояния между ними. Ёмкость обозначается буковкой С и измеряется в фарадах. Единица измерения в системе СИ – 1Ф (F). Обозначение принято в честь физика из Великобритании М. Фарадея.
Внимание! Ёмкость 1Ф – очень большая величина. Если рассматривать Землю как уединённый проводник в форме шара, то ёмкость составила бы около 700 мкФ. Потому электротехнические элементы определяют в малых величинах: пикофарадах (пФ), нанофарадах (нФ), микрофарадах (мкФ).

Единицы измерения ёмкости
В цепях неизменного и переменного тока ёмкостной элемент ведёт себя по-разному. Если неизменный ток конденсатор через себя не пропускает, то переменному току, проходящему через него, оказывает определённое сопротивление. Это ещё одна принципиальная черта конденсатора – ёмкостное сопротивление RC.
Сопротивление из разряда реактивных сопротивлений, рассчитывается по формуле:
где:
- Rc – емкостное сопротивление, Ом;
- 6,28 – 2 π;
- f – частота тока, Гц;
- C – емкость данного конденсатора, Ф.
Принципиально! Как видно из формулы, для токов разной частоты сопротивление 1-го и такого же элемента изменяется. Чем выше частота тока, тем ниже ёмкостное сопротивление конденсатора.
Различают конденсаторы неизменной и переменной ёмкости. 2-ые имеют конструкцию, в итоге которой меняется расстояние между пластинами.
По типу выполнения конденсаторы неизменной ёмкости бывают:
- полярные электролитические;
- однослойные и мультислойные глиняние;
- высоковольтные глиняние;
- полиэстеровые;
- танталовые;
- полипропиленовые конденсаторы.
Конструкция находится в зависимости от порядкового разряда ёмкости элемента, используемого материала для пластинок и диэлектрика.
Обозначения на конденсаторах
От размеров элемента зависит количество данных, характеризующих его характеристики. На корпус элемента наносятся неотклонимые электрические свойства:
- ёмкость конденсатора, С;
- наибольшее напряжение, на которое рассчитан элемент, В.
На очень маленьких деталях может быть отмечена только ёмкость, по эталону EIA. Если нарисованы только числа и буковка, то числа обозначают ёмкость, буковкы могут иметь расшифровку, применимую к типу конструкции. При наличии трёх цифр 1-ые две – это ёмкость. 3-я цифра, лежащая в границах 0-6, – это множитель нуля (505 – 55*100000). Когда 3-я цифра 8, значение множат на 0,01, если 9 – на 0,1.
К сведению. Буковка, обозначающая ёмкость, может стоять как после числового значения, так перед ним и между цифрами. К примеру, Н15; 1Н5; 15Н. Таким макаром, может обозначаться десятичный разряд числа – 0,15нФ; 1,5нФ; 15нФ.
Дополнительно могут быть обозначены значения:
- тип – конструктивное выполнение;
- вид тока – неизменный, переменный, AC — DC;
- рабочая частота, Гц;
- величина допустимых отклонений ёмкости, %;
- полярность выводов у электролитических конденсаторов, « + » и « — ».

Обозначения на корпусе электролитического конденсатора
Вычисления при помощи формул электротехники
Найти ёмкость конденсатора можно при помощи формулы, известной из школьной программы по физике:
где:
- q – заряд (Кл);
- U – разность потенциалов (ϕ1 и ϕ2) между обкладками (В).
Из формулы следует, что конденсатор, имеющий ёмкость в 1 фарад, собирает на пластинках заряд в 1 кулон, создавая напряжение между ними в 1 вольт.
Вероятные неисправности конденсатора
Как и всякие элементы электрических схем, ёмкостные тоже выходят из строя, что влечёт за собой отказ в работе аппаратуры. Почаще отрешаются работать электролитические конденсаторы. К их главным неисправностям можно отнести:
- обрыв конденсатора, в данном случае ёмкости нет вообщем, либо она снижена;
- пробой элемента в итоге недлинного замыкания обкладок;
- понижение очень вероятного напряжения;
- повышение ёмкостного сопротивления Rc.
Неисправный элемент найти не всегда просто, но может быть.
Как проверить исправность конденсатора
Перед измерением конденсатор лучше выпаять из гнезда. Подключить измерительный устройство к выводам. По свидетельствам, отображаемым на экране, определяют исправность радиодетали.
Схема измерения
Для производства измерений нужно выпаять хотя бы один вывод. Выпаивание делается для того, дабы другие детали цепи не вносили искажений в итог проверки. Контрольные приборы подключаются щупами конкретно к контактам конденсатора.
Измерительные приборы
Как и всякую радиодеталь, ёмкостной элемент можно измерить. Для этого применяются измерительные приборы: омметр либо мультиметр. В процессе работы неисправный конденсатор можно найти с виду ещё до того, как выпаивать из платы.
Проверка конденсатора мультиметром
Выявить обрыв детали по понижению либо полному отсутствию ёмкости можно мультиметром с опцией измерителя емкости электролитических конденсаторов. Если в итоге проверки ёмкость отсутствует либо понижена, элемент цепи не исправен.
Когда ёмкость детали больше 20 мкФ, то проверку поможет провести хоть какой тестер в режиме омметра. Выставляется предел измерения «200 кОм». После выпаивания для снятия остаточного заряда выводы детали краткосрочно закорачиваются между собой.
На выводах измеряется сопротивление, которое будет расти зависимо от ёмкости. Чем она меньше, тем резвее растёт величина сопротивления и добивается бесконечности. Бесконечность указывает стопроцентно заряженный конденсатор. Если этого не происходит, а на экране сходу значение бесконечности, означает, у детали есть обрыв.
Принципиально! При значении ёмкости наименее 20 мкФ таковой метод не годится. Повышение сопротивления до нескончаемой величины в данном случае происходит стремительно, его нереально увидеть.
Измерение фактических емкостных значений
Пробой между пластинами происходит в итоге внутреннего недлинного замыкания. Измерение емкости омметром при всем этом указывает ноль либо некоторое сопротивление, которое не растёт. Даже если чуток возрастает, то не добивается бесконечности.
При наружном осмотре такие элементы приметны. У электролитических конденсаторов на высшей части корпуса имеются насечки крестом. При маленьком замыкании пластинок электролит снутри закипает и выделяет газ. Газ пробует выйти наружу и в этом месте открывает деталь. Вершины неисправных частей разорваны либо вспучены.
Измерение устройством ESR
Для измерения емкости конденсатора для определения роста внутреннего сопротивления используют особенный устройство – ESR. При его использовании деталь выпаивать не непременно.
При заряде либо разряде неисправного конденсатора повышение этого параметра показывает на понижение пикового тока через элемент. Картина такая, будто бы в цепи с измеряемым элементом находится последовательно присоединенный резистор и заносит задержку.
Это именуется эквивалентное последовательное сопротивление – ЭПС. В британском языке – ESR.
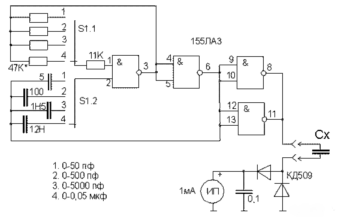
Самодельный С – метр
Собрать обычной измеритель емкости конденсаторов своими руками можно на интегральной микросхеме серии 155ЛА3.

Схема измерителя ёмкости на микросхемах серии 155ЛА3
На самодельную интегральную схему устанавливается микросхема К155ЛА3. Плату за ранее отмывают от грязищи и флюса, которые останутся после производства. Применяемые детали:
- микросхема К155ЛА3;
- диоды КД 509;
- подобранные резисторы 47 кОм;
- резисторы 11 кОм;
- конденсатор 0,1 мкФ;
- подобранные ёмкости: С1 0-50 пФ, С2 0-500 пФ, С3 0-5000 пФ, С4 0-0,05 мкФ.
К выводам присоединяется питание 5 В. На вывод 7 – минус, на вывод 14 – плюс. Выводы числятся от ключа, нанесённого на корпус. Источник питания – 5 В при токе 0.1 А.
Проводники, которые соединяют резисторы с переключателем, производятся по способности короче. Переменные резисторы после подбора заменяются неизменными эквивалентами. Настройку делают с измерительным устройством, который будет употребляться.
Регулировка сводится к установке наибольших границ каждого спектра с помощью подбора резисторов 47 К.
Понижение напряжения пробоя конденсатора
Понижение очень вероятного напряжения – это так именуемый обратимый пробой. Его не найти тестером. Но в схеме при работе при номинально допустимом значении напряжения элемент ведёт себя как пробитый. При всем этом он будет измеряться тестером как рабочий.
Найти можно постепенной подачей напряжения от отдельного источника питания до величины, обозначенной на корпусе. У неисправного конденсатора пробой будет происходить ранее этой величины. Электролит закипит, и корпус начнёт нагреваться.
Внимание! Если на маркировке стоит значение «60V», то при плавной подаче напряжения на выводы от нуля до 50V элемент должен вести себя нормально. Пробоя быть не должно.
Измерение ёмкости конденсаторов при помощи измерительных устройств промышленного производства либо самодельных устройств позволяет создавать ремонт и наладку электронных схем. Выявление неисправного конденсатора путём измерения его физических ёмкостных значений сохранит работоспособность электронного устройства и понизит время, затраченное на ремонт.