Магнитный пускатель это коммутационное устройство для электрических цепей с большенными токами. В быту, магнитные пускатели используются в пригородных домах, для дистанционного подключения уличного освещения либо станков домашнего мастера, работающие от электродвигателей.
Устройство магнитного пускателя и его работа, обыденно ординарны: пружина, дроссель и двигающийся якорь. При возникновении тока на дросселе, якорь замыкает контакты пускателя и на установку подается электропитание. Прерываем ток через дроссель, якорь размыкает контакты пускателя, и питание установки отключается. Под установкой осознаем приёмник электроэнергии, которую коммутирует магнитный пускатель (электродвигатель, уличное освещение).
Подключение магнитного пускателя – схема подключения
Есть две принципно различные схемы подключение магнитного пускателя:
- обычная не реверсная схема (запуск и стоп);
- реверсная схема подключения электродвигателя (запуск, вперед, вспять).
В обычной (не реверсной) схеме подключения, «участвуют» следующие элементы:
- Пускатель магнитный;
- Асинхронный электродвигатель с короткозамкнутым ротором;
- Кнопки запуск и стоп;
- Термическое реле (необязательно, но лучше для защиты мотора от токовых перегрузок).

Дополним эту схему, 2-мя рабочими схемами:

условные обозначения в схеме подключения пускателя

Где применить пускатель в быту
В личном доме, через пускатель необходимо подключить все имеющиеся на местности электродвигатели, уличное освещении и массивные бытовые приборы, к примеру, ТЭН. Движки, так как так положено, а уличное освещение, так как пускатель обеспечит дистанционное, неопасное подключение уличного освещения из хоть какой точки дома. Можно поставить пускатель в щитовой комнате, а кнопки управления (включить, выключить), где комфортно.
Подключение магнитного пускателя – пример
Не буду говорить про внутреннюю конструкцию пускателя, про дугогасительные камеры и изолирующую траверсу, это есть на видео понизу статьи. Покажу практическое подключение электродвигателя, через магнитный пускатель.
Для работы приготовим:
- Пускатель;
- Реле термическое;
- Электрический кабель. Сечения жил рассчитываем по мощности электродвигателя;
- Кнопочный пункт на две кнопки в одном корпусе;
- Электродвигатель, установленный по месту.
Статьи по теме: Достоинства и недочеты СИП проводов

Пускатель, кнопочный пункт, мотор
Электромонтажные работы установки пускателя магнитного
- От трехфазного автомата защиты (1 на желтоватой схеме выше), который ставим до пускателя, кабель электропитания подводим к пускателю;
- От вывода пускателя прокладываем кабель к кнопочному пт;
- От кнопки кабель прокладываем к электродвигателю.
Примечание: В этой статье ограничимся подключением асинхронного мотора без реверсирования. Другими словами, только запуск и остановка.
Дабы выполнить подключение магнитного пускателя по выше показанной схеме, необходимо отыскать и осознать предназначение контактов на пускателе и кнопках. Потому, разберем, поначалу кнопочный пункт, а позже поглядим пускатель.
Кнопки (кнопочный пункт) для работы пускателя

Для обычного, не реверсивного подключения пускателя нам пригодится кнопочный пункт на две кнопки. Я взял для примера старую серию в эбонитовом корпусе.
Кнопки созданы для замыкания и размыкания электрической цепи. Для этого в устройстве кнопок есть замкнутые и разомкнутые контакты. Верно именовать, разомкнутые контакты – нормально открытые, а замкнутые контакты – нормально закрытые.
Для правильного подключения принципиально найти разомкнутые и замкнутые контакты. Обычно они обозначаются цифрами 1-2 и 3-4 соответственно.
Осознаем, что при нажатии на кнопку разомкнутые контакты замыкаются, а разомкнутые замыкаются. Сейчас разберемся с клеммами пускателя.
Клеммы пускателя нужные для подключения
Кладем пускатель впереди себя и смотрим на него невооруженным взором, другими словами его не разбираем.

- Вводные клеммы пускателя. Вводные клеммы для подключения фазных проводов:1L1, 2L2, 3L3;
- Дополнительная вводная клемма: 13NO (21NC);
- Выводные клеммы. Клеммы вывода фазных проводов: 4T1, 5T2, 6T3.
- Дополнительная (вспомогательная) выводная клемма: 14NO (22 NC);
В выключенном состоянии контактные пары: 1L1-4T1; 2L2-5T2; 3L3-6T3 разомкнуты. Зрительно лицезреем, что траверса (оранжевая пластинка в центре устройства) в верхнем положении.
- На пускателе лицезреем контакт А2, это вывод 1-го контакта дросселя пускателя. Есть пускатели (старенькые модели) с клеммами А1 и А2 для вывода 2-ух контактов дросселя пускателя.
Статьи по теме: 15 схем установки УЗО
Клемма А2 катушки пускателя Клеммы А1 и А2 катушки пускателя
Больше на корпусе никаких контактов нет.
Подключение пускателя с кнопочным пт
- Приходящую фазу подключаем на клемму 1L1 пускателя;
- Мотор подключаем к клеммам 4T1 и рабочему нулю, без пускателя;
- От клеммы 1L1 подключаем шлейфом провод, идущий на контакт 1 кнопки «Пуск»;
- С контакта 2 кнопки «Пуск» пускаем шлейф на контакт 3 кнопки «Стоп»;
- С клеммы 4 кнопки «Стоп» пускаем шлейф на контакт А2 катушки магнитного пускателя (он на корпусе). Если на корпусе есть контакт катушки А1, к нему подключаем ноль;
- С вспомогательных контактов пускателя NO13 и NO14 бросаем провода на клеммы 1-2 кнопки «Пуск»;
- До пускателя, со стороны электропитания, необходимо установить автоматический выключатель на фазный (фазные) проводники;
- Параллельно выключателю, до клемм 1L1-3L3 необходимо поставить термическое реле. Она защитит пускатель от перегрузки;
- Подключение закончено. Включаем.
Как срабатывает и работает магнитный пускатель
При включении автоматического выключателя, ток фаз подается на контакты пускателя L и на клемму 1 кнопки запуск.
Для пуска мотора нажимаем кнопку «Пуск». Нормально разомкнутые контакты кнопки «Пуск» замыкаются, ток подается на катушку пускателя, она замыкает контактные группы пускателей L-T.
Отпускаем кнопку «Пуск». Если б не было дополнительных контактов в пускателе, то мотор тормознул. Но дополнительные контакты пускателя NO13 и NO14 замкнулись и при отпускании кнопки «Пуск» остаются замкнутыми. Это не позволяет разомкнуться цепи питания катушки пускателя. Лицезреем, что траверса на корпусе утоплена, слышим соответствующий щелчок.
При нажатии кнопки «Стоп» происходит простое размыкание цепи катушки, и она отжимается – траверса пускателя подымается, слышим соответствующий щелчок.
Принципиально! Принципиальное значение в подключении пускателя играют дополнительные контакты пускателя. Осталось напомнить, что дополнительные контакты, которые подхватывают функции кнопки «Пуск», находятся на пускателе слева от вводных и выводных рабочих контактов и маркируются NO13 и NO14.
Механизм работы схемы подключения электромагнитного пускателя 380В

В современной электроэнергетике обширное распространение получили электромагнитные пускатели.
Это устройства, созданные для неоднократного включения и отключения электротехнических устройств.
Задачка рассматриваемого устройства состоит в замыкании и размыкании контактов электрических цепей разной мощности, при напряжении до 440 В неизменного и 600 В переменного тока.
В собственной конструкции имеют:
- определённый набор рабочих контактов, созданных для подачи напряжения на силовую установку;
- вспомогательные контакты — созданные для цепей управления и сигнальных цепей.
Главные различия между пускателями и контакторами

По собственному конструктивному решению контакторы похожи на пускатели. Они делают одну и ту же задачку, служат однотипным целям. Дабы не запутаться в этом вопросе, предлагаем разглядеть различия между этими устройствами.
К основной отличительной черте можно отнести наличие у контакторов сильной дугогасительной камеры. Вследствие чего, они применяются в цепях, где находятся огромные токи, и имеют еще больший вес по отношению к электромагнитному пускателю.
Соответственно, пускатели, не имея дугогасительных камер, предусмотрены в главном для работы, где протекают токи маленькой мощности. Их рабочий спектр — до 10 ампер.
Ещё одной конструктивной особенностью электромагнитных пускателей является наличие пластмассового корпуса, где контактные площадки выведены наружу. В отличие от них, большая часть контакторов выполняются без корпуса. Для изоляции от пыли, дождика, также случайного прикосновения к токоведущим частям инсталлируются в защитных боксах либо коробах.
К ещё одному различию можно отнести предназначение электромагнитного пускателя 380 В. В его задачку заходит коммутация цепей трёхфазных движков. Три пары силовых и одна пара вспомогательных контактов являются неотъемлемой частью этого устройства. 1-ые созданы для подключения 3-х фаз, а 2-ая служит для подачи питания мотора, после отпуска кнопки «пуск». Схожий метод работы достаточно распространён и подходит для огромного количества устройств. В связи с чем через данные электромагнитные устройства подключают различные технические агрегаты и приборы.
Выделим главные отличия:
- компактность;
- конструктивные особенности;
- предназначение.
Из-за схожести функционала и внутренности некоторые компании в прайсах время от времени именуют электромагнитные пускатели — «малогабаритными контакторами».
Устройство и механизм работы

Базу пускателя составляют катушка индуктивности и магнитопровод, состоящий из подвижной и недвижной частей. Недвижная часть является нижней и закреплена на корпусе, верхняя подпружинена и способна свободно двигаться.
В нижней части магнитопровода устанавливается катушка, и в прямой зависимости от её намотки меняется номинал контактора. Выпускаются катушки от 12 до 380 вольт.
Что касается высшей части магнитопровода, то тут находятся подвижные и недвижные группы контакторов.
Когда питание отсутствует, пружины отжимают часть магнитопровода, находящуюся вверху. В данном случае контакты находятся в состоянии ожидания либо начальном состоянии. При подаче напряжения в катушке появляется электромагнитное поле, под действием которого высшая часть сердечника притягивается. Вследствие этого контакты меняют своё положение.
При снятии напряжения система ворачивается к начальному состоянию. Контакты замыкаются при подаче напряжения и размыкаются при его снятии. Электромагнитный пускатель работает как на неизменном, так и на переменном токах, главное, дабы характеристики были не больше тех, что указаны заводом производителем.
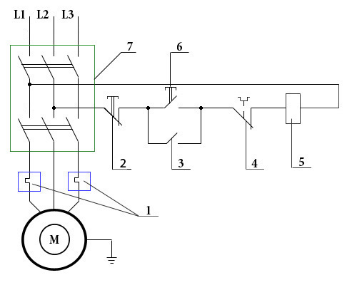
Схема подключения электродвигателя 380
Речь пойдёт о подключении асинхронного электродвигателя при соединении обмоток звездой либо треугольником в сети 380 В.

Для обычной работы электродвигателя нулевой проводник (N) не нужен, но защитный (PE) обязателен: он служит для защиты потребителя от поражения электрическим током при пробое одной из фаз на корпус.
Питание катушки пускателя осуществляется через фазы L1 и L2. L1 присоединена впрямую, а L2 через кнопку «стоп» — 2, «пуск» — 6, кнопку термического реле — 4, которые соединены последовательно между собой.
При нажатии кнопки «пуск» — 6, через кнопку 4 термического реле, напряжение L2 поступает на катушку 5. За этим следует втягивание сердечника и замыкание контактной группы 7 на нагрузку электродвигателя М, вследствие чего подаётся электрический ток, соответственный напряжению 380 В.
При выключении кнопки «пуск» эта цепь не прерывается, и ток проходит через подвижный блок — 3, который замыкается при втягивании сердечника. В случае трагедии срабатывается термическое реле 1, контакт 4 разрывается и отключается катушка. Возвратимые пружины возвращают сердечник в первоначальное положение. С аварийного участка снимается напряжение при размыкании контактной группы.
Магнитный Пускатель 380в Схема Подключения
База пускателя — магнитопровод и катушка индуктивности.
Для этого пригодится трёхжильный кабель и несколько контактов.
Для подачи питания применяется 2-ой тип, он и есть более распространенным.
Пускатели магнитные КМЭ в корпусе IP65 9-95A. Схема подключения пускателя 380 и 220В (400 и 230).
На высшей части магнитопровода есть две группы контактов — подвижные и недвижные. Исходя из этого, кнопки управления пускателем, которые именуют кнопочным постом, имеют по две пары контактов — нормально открытые разомкнутые, замыкающие, НО, NO и нормально закрытые замкнутые, размыкающие, НЗ, NC см.
Если после подачи напряжения пускатель не включился без помощи других — уже отлично. Для этого каждый модельный ряд изделий взаимно дополняет друг дружку.
Но, как вы осознаете, такая схема подключения магнитного пускателя не особо комфортна — можно и впрямую проводники от источника питания подать, встроив обыденный рубильник.
У дюралевых проводов концы зачищают надфилем, потом покрывают пастой либо техническим вазелином Дабы не допустить перекоса пружинных шайб, находящихся в контактном зажиме пускателя, конец проводника загибают П-образно либо в кольцо.
Приятный пример. Следующим принципиальным параметром будет ток сработки.
Как подключить магнитный пускатель. Схема подключения.
9 комментариев
На следующем видео реализована схема подключения магнитного пускателя с реверсом на древнем щите с внедрением старенького оборудования, но общий порядок действий понятен. Делают это для того, дабы, когда мотор окажется в угрозы из-за перегрева, реле сумело бы отключить пускатель. При этом она размещается вертикально на стенке электрического щита.

Источником его является нажатая пусковая кнопка, открывающая путь для подачи напряжения к управляющей катушке.
Пускатель должен отпасть.
Еще нам будет нужно применять дополнительный контакт пускателя, именуемый блок-контактом. Также хоть каким легкодоступным методом предотвращено случайное его включение сторонними лицами.
Была ли Для вас полезна данная статья?
Для сборки цепи управления необходимо одну фазу прямо подключить к сердечнику, а со 2-ой подключить при помощи провода к контакту запуска.
Так будет проще доступ к винтам катушки, которые всегда перекрываются проводами основной цепи.
Как подключить контактор либо магнитный пускатель. Схема подключения
Аннотации по подсоединению

Подсоединение к 3-фазной сети Может быть подключение 3-фазного питания через катушку МП, функционирующей от В.
Если надпись говорит В АС либо вблизи с стоит значок переменного тока , то для работы схемы управления будет нужно фаза и ноль. Последняя создана для резвого рассоединения контактов, от скорости которого зависит величина электрической дуги.
Это является принципиальным нюансом, ведь при неправильном подсоединении сердечник может сгореть либо не будет запускать вполне нужные контакторы. Графическое изображение по управлению, которое составляют катушка, кнопки и дополнительные контакторы, которые учавствуют в работе катушки либо не допускают неверных включений. Сейчас, перепроверив корректность монтажа можно подать напряжение и проверить работоспособность схемы.
Эта приставка защелкивается в особые держатели, ее контактные группы работают совместно с группами основного корпуса. После выполнения вышеуказанных действий электродвигатель будет отключён и готов к последующего запуска с кнопочного поста. Кнопки управления пускателей В общем случае будет нужно две кнопки: одна для включения и одна для отключения.
Необходимость в специфичном кнопочном контакте Понятно, что контактор магнитного пускателя врубается управляющим импульсом, исходящим от нажатия пусковой кнопки, при помощи которой подается напряжение на катушку управления. Различаются схемы подключения МП приемущественно зависимо от того, какая катушка в нем находится. Такие кнопки обычно имеют две пары групп контактов — одну нормально разомкнутую, другую замкнутую.
Поиск на веб-сайте
Реверсивная схема подключения электродвигателя через пускатели В некоторых случаях нужно обеспечить вращение мотора в обе стороны. Удержание контактора во включенном состоянии происходит по принципу самоподхвата — когда дополнительный вспомогательный контакт шунтирует подключается параллельно пусковую кнопку, тем подавая напряжение на катушку, вследствие чего теряется необходимость задерживать кнопку пуска в нажатом состоянии. При перекрестной схеме подключения одновременное срабатывание обоих пускателей приведет к недлинному замыканию. Катушка приведёт в действие контакты КМ1 и они замкнут цепи с обмотками мотора. Напряжение с обозначением — означает различные фазы.
При полном опускании якоря, контакты, отбрасываемые пружиной, отключаются Питание катушки управления после подключения магнитного пускателя реализуется от переменного тока, но для этого устройства род тока не имеет значения. Верно присоединенный пускатель должен фиксироваться во включенном положении при механическом нажатии на подвижную часть магнитопровода. Тип напряжения не имеет значения, главное, дабы номинал не выходил за границы В. Сейчас если ее отпустить магнитный пускатель продолжает работать, пока не пропадет напряжение либо сработает термическое реле Р защиты мотора. Сразу сердечник пускателя притягивает якорь, в итоге чего происходит замыкание подвижных силовых контактов, после этого напряжение поступает на нагрузку.
Но верная — только одна. Это так именуемый кнопочный пост. Можно также составить однолинейный графический набросок подключения трехфазного электрического мотора к магнитному пускателю через реле.
Магнитный пускатель. Либо как подключить 3-х фазный мотор
Устройство и механизм работы
Питание для мотора либо хоть какой другой нагрузки фаза от В подается на хоть какой из контактов, обозначенных буковкой L, а снимается с размещенного под ним контакта с маркировкой T. Ниже мы разглядим некоторые схемы подключения магнитного пускателя на и вольт, которые могут понадобиться в домашних критериях.
Такое подключение позволяет создавать коммутацию клавишами с любого поста.
Схема подключения магнитного пускателя с самоподхватом смотрится следующим образом: Разглядим работу цепей включения и выключения магнитного контактора.
Малость изменена и силовая часть От к. Направьте внимание, что у них для управления пускателем применяются различные по предназначению контакты.
Навигация по записям
Подсоединение к 3-фазной сети Может быть подключение 3-фазного питания через катушку МП, функционирующей от В. На контакторе КМ2 происходит замена фаз L1 на L3, а L3 на L1, таким макаром изменяется направление вращения электродвигателя. Напряжение с обозначением — означает различные фазы. Схема подключения магнитного пускателя на В Подключение к В фактически не отличается от первого варианта, различие только в питающем напряжении магнитной катушки.
Вся схема будет работать от 2-ух фаз. Реле подсоединяют к выводу с МП на электрический мотор, электричество проходит в нем в последовательном виде через нагрев реле до электромотора. Также советуем прочитать другую нашу статью где мы поведали о том как избрать и подключить электромагнитный пускатель на В. Подключение магнитного пускателя с термическим реле Магнитный пускатель это, на самом деле, массивное реле специального предназначения. Для подачи питания применяется 2-ой тип, он и есть более распространенным.
В случае перегрузки термический датчик Р сработает и порвет контакт Р, машина остановится. В прорези нижней части магнитопровода устанавливается катушка. Как смотрится монтажная практическая схема подключения магнитного пускателя?
Дальше необходимо установить перемычку в кнопочном посте. Чем резвее произойдет размыкание, тем меньше дуга и в тем наилучшем состоянии будут сами контакты. Вся схема в целом претерпевает малозначительные конфигурации. При особенных требованиях безопасности завышенная влажность в помещении может быть применения пускателя с катушкой на 24 12 вольт.
Реверсивные магнитные пускатели в однофазовой сети. Реверсивная схема подключения электродвигателя.
