Пусковой (стартовый) ток – это наибольший ток, возникающий в момент подачи питания на систему. Этот параметр нужно учесть при проектировании, а поточнее — при расчете наибольшей длины отрезков кабеля.
От чего зависит стартовый ток
- Температуры включения . Чем ниже температура окружающей среды, при которой происходит включение системы подогрева, тем выше пусковой ток и тем больше стартовая мощность.
- Длины нагревательного кабеля . Чем больше длина секции, тем больше СТ системы. Для резистивного кабеля он определяется внутренним удельным сопротивлением Ом/м нагревательной жилы и рассчитывается, и контролируется при изготовлении секции на заводе. Саморегулируемый нагревательный кабель можно условно представить как огромное количество параллельных резистеров (сопротивлений), присоединенных к одному источнику питания. Сопротивление будет уменьшаться при увеличении длины полосы, и, соответственно, возрастет пусковой ток.
От чего зависит величина стартового тока
Мощности греющего кабеля. Чем больше удельная мощность кабеля (Вт/м), тем больше СТ.
Особенности конструкции нагревательного кабеля. Резистивный греющий кабель из-за особенности конструкции имеет маленький СТ, который на несколько процентов превосходит рабочее значение тока.
Саморегулируемый кабель имеет довольно большой СТ, который может возрастать в 1.5 -5 и поболее раз от собственного рабочего значения. Причина — внедрение в конструкции проводящей матрицы с PTC-коэффициентом, меняющей свое электрическое сопротивление зависимо от температуры окружающей среды.
В «холодном» состоянии кабель имеет маленькое сопротивление, которое к тому же находится в зависимости от температуры окружающей среды. При подаче питания на кабель, он начинает разогреваться, его сопротивление начинает расти, ток в цепи питания миниатюризируется. Коэффициент стартового тока находится в зависимости от компонентного состава и используемых технологий при производстве матрицы кабеля.
У каждой марки нагревательного кабеля своя величина стартового тока. Производители изредка указывают эту информацию в технических свойствах. Этот параметр является условной величиной и при разных критериях один и тот же кабель может иметь различное значение СТ. Аналогично производители саморегулирующегося кабеля не нормируют его удельное сопротивление Ом/м.
График зависимости СТ кабеля Samreg-40-2CR* от температуры окружающей среды

*график построен на базе испытаний
Пиковая нагрузка приходится на 1-ые 3-30 секунд после включения, в этот момент СТ может превосходить номинальное значение в 2-5 раз. Приблизительно через 5-10 минут происходит полная стабилизация и выход греющего кабеля на номинальную мощность.
Расчет пускового тока греющего кабеля
Грубо высчитать наибольший пусковой ток нагревательной секции можно исходя из общей длины греющего кабеля в системе и его удельной мощности.
Пример расчета наибольшего стартового тока греющего кабеля
Имеется секция саморегулирующегося кабеля удельной мощностью 30 Вт/м и длиной 50 м. Номинальная мощность секции при температуре +10°С составляет Pном=30Вт/м*50м=1500Вт. Это мощность уже нагретой секции. Если на кабель в «холодном» состоянии подать питание, то его мощность будет в пару раз выше номинального значения. Для расчетов мы принимаем коэффициент стартового тока равный 2.5-3 для кабелей марки Samreg и Alphatrace. Коэффициент определен в процессе тестов с кабелем данных марок, также исследования их физических и электротехнических параметров. У греющих кабелей других производителей данный коэффициент может отличаться как в огромную, так и наименьшую сторону.
Тогда, стартовая (пусковая) мощность в нашем примере равна Pпуск=3хPном=4500Вт, пусковой ток Iпуск=4500/220=20,45 А.
По отысканному значению СТ осуществляется выбор автоматических и дифференциальных выключателей для защиты нагревательной секции, также тип и сечение силового питающего кабеля. Для секции, приведенной в примере, нужен дифференциальный автомат на номинальный ток Iном=25А с дифференциальным током Iут=30мА
Методы уменьшения стартового тока
Большая величина СТ является ненужной для питающей сети, так как приходится применять автоматы с огромным номинальным током. Не считая того, подбирается силовой кабель увеличенного сечения.
Существует несколько методов понижения СТ системы:
Последовательное подключение
Последовательное подключение к питающей сети нагревательных секций , которое обеспечивается при помощи установки реле выдержки времени. Это устройство применимо в системе, состоящей из нескольких линий (нагревательных секций). Оно позволяет включать каждую линию с определенным временным интервалом (обычно около 5 минут). При данном методе подключения ток в нагревательной секции уменьшится до рабочего (номинального значения) через 5 минут после подачи питания. После чего можно производить включение следующей полосы. Таким макаром, суммарный СТ всей системы подогрева равен:
где Iном1, Iном2… — номинальные токи нагревательных секций соответственно 1ой, 2ой и т.д.
Iпуск.n – СТ секции, которая врубается в сеть последней.
Чем больше секций врубается по таковой схеме (т.е. чем больше ступеней включения), тем больше пусковой ток будет стремиться к номинальному току для данной системы. Так, если по таковой схеме включить хотя бы 3 группы (одна группа врубается впрямую, 2 другие через реле времени через 5 и 10 минут соответственно) при условии равномерного рассредотачивания мощностей по группам, то пусковой ток можно понизить практически на 50%.
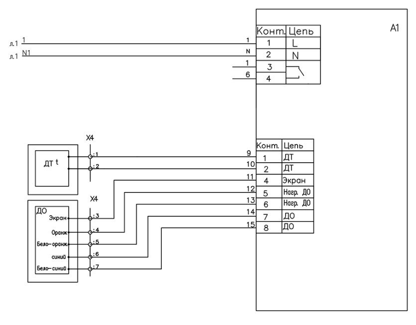
Пример принципной схемы шкафа управления с реле времени

Видео использования реле времени для последовательного включения линий подогрева
Устройство плавного запуска
Устройство в течение всего времени холодного пуска системы (порядка 10-12 минут) поддерживает значение тока на уровне не выше номинального. В данном случае можно применять силовые и дифавтоматы, рассчитанные на номинальный ток секции. Не считая того, не придется использовать питающий кабель с увеличенным сечением. Механизм работы устройства тщательно описан в паспорте.

Согласно наибольшей стартовой мощности подбирается также силовой кабель подходящего сечения.
Подбор сечения силового кабеля для системы подогрева
Таблица выбора сечения кабеля по току и мощности с медными жилами
Таблица выбора сечения кабеля по току и мощности с дюралевыми жилами

Неверный расчет СТ приводит к выходу из строя системы защиты и управления, что может стать предпосылкой аварийных ситуаций на обогреваемом объекте.
Трудности из-за неверного расчета пускового тока
Более нередкие задачи, возникающие из-за неверного расчета пускового тока и в согласовании с этим неверного выбора оборудования:
Срабатывания автоматов защиты и других защитных устройств
Срабатывания автоматов защиты и других защитных устройств при включении системы подогрева из «холодного» состояния. Практически автоматы защиты нагревательных секций выключатся в 1-ые 10-100 секунд после подачи на них питания. Автомат отключается по перегрузке, срабатывает его термический расцепитель. Автомат может работать некоторое время в режиме перегрузки, но ввиду затяжного нрава процесса понижения СТ, его припаса не хватает. Для устранения этой препядствия приходится выбирать автомат на большее значение номинального тока.
Данная неувязка может быть не выявлена на шаге тестирования либо пуска системы, так как наибольший пусковой ток возрастает при снижении температуры окружающей среды. Если систему тестировали до пришествия малых температур ошибка возникнет только при включении системы в холодное время года (к примеру, в мороз).
Перегрев силового кабеля
Перегрев силового кабеля появляется из-за неверного подбора его сечения. Из-за большой продолжительности пускового процесса греющего кабеля высочайшее значение СТ нагревает жилы силового кабеля. При всем этом кабель может расплавиться, появиться куцее замыкание и даже пожар на объекте подогрева.

Наибольшая длина греющего кабеля
При расчетах системы подогрева нужно держать в голове, что прежде всего наибольший стартовый ток находится в зависимости от длины секции кабеля.
Превышение допустимой длины приводит не только лишь к повышению СТ, но и к досрочному износу системы.
Нагрузка по сечению провода.
Про электрические автоматы, при какой нагрузке мощности тока в кВт, мы поведаем в другой статье на нашем веб-сайте. В таблице указаны провода как медные и ниже в таблице дюралевые. Дюралевые провода естественно вчерашний денек. но когда в древнем доме они уже проложены, и эти провода поменять не получиться дешево.
Часто в древнем доме проще новейшую проводку выполнить. Но в любом случае не запамятовывайте об автоматах, электрических автоматах которые в случае превышения и недлинного замыкания отключат электрическую сеть ( разомкнут электрическую сеть).
И заметьте, что однообразные по сечению провода алюминевые и медные, держат разную мощность (нагрузку) электрического тока. Что бы Для вас верно все эти нагрузки расчитать, лучше обратитесь к проф электрикам.
Таблица сечения проводов и критическая нагрузка мощности на электрический провод из меди либо из из алюминия.
Для подбора сечения кабеля и провода по мощности и силе тока можно пользоваться следующими таблицами:
| Сечение токопроводящей жилы, мм 2 | Для кабеля с медными жилами | |||
| Напряжение 220 В | Напряжение 380 В | |||
| Ток А | Мощность кВт | Ток А | Мощность кВт | |
| 1,5 | 19 | 4,1 | 16 | 10,5 |
| 2,5 | 27 | 5,9 | 25 | 16,5 |
| 4 | 38 | 8,3 | 30 | 19,8 |
| 6 | 46 | 10,1 | 40 | 26,4 |
| 10 | 70 | 15,4 | 50 | 33 |
| 16 | 85 | 18,7 | 75 | 49,5 |
| 25 | 115 | 25,3 | 90 | 59,4 |
| 35 | 135 | 29,7 | 115 | 75,9 |
| 50 | 175 | 38,5 | 145 | 95,7 |
| 70 | 215 | 47,3 | 180 | 118,8 |
| 95 | 260 | 57,2 | 220 | 145,2 |
| 120 | 300 | 66 | 260 | 171,6 |
| Сечение токопроводящей жилы, мм2 | Для кабеля с дюралевыми жилами | |||
| Напряжение 220 В | Напряжение 380 В | |||
| Ток А | Мощность кВт | Ток А | Мощность кВт | |
| 2,5 | 20 | 4,4 | 19 | 12,5 |
| 4 | 28 | 6,1 | 23 | 15,1 |
| 6 | 36 | 7,9 | 30 | 19,8 |
| 10 | 50 | 11 | 39 | 25,7 |
| 16 | 60 | 13,2 | 55 | 36,3 |
| 25 | 85 | 18,7 | 70 | 46,2 |
| 35 | 100 | 22 | 85 | 56,1 |
| 50 | 135 | 29,7 | 110 | 72,6 |
| 70 | 165 | 36,3 | 140 | 92,4 |
| 95 | 200 | 44 | 170 | 112,2 |
| 120 | 230 | 50,6 | 200 | 132 |
Наша компания "220W" производит все виды электромонтажных работ от замены розетки до полной разводки электрики под ключ. Мы делаем установка и подключение электрощита с установкой электро автоматов согласно проекта.
Разводка электрического кабеля осуществляется как внешняя, проводимая через кабель каналы, так внутренняя в гофре либо способом штробления в стенках (кирпичных, газобетон, бетонный монолит и т.п.).
Как заказать дешевый установка электрики в квартире либо в загордном доме (на даче, в танхаузе, в бане и других строениях) и получить скидку, смотрите ниже на веб-сайте онлайн заказ "получить скидку!".
