Однофазовый асинхронный мотор
Обмотка статора однофазового асинхронного мотора занимает примерно 2/3 окружности, конкретно по этой причине его мощность на 1/3 меньше мощности трехфазного мотора таких же габаритов.
Ток, протекая по обмотке статора, делает пульсирующее магнитное поле, которое можно представить как два поля, крутящиеся в различных направлениях. Поле, которое крутится в направлении ротора именуется прямым полем, а 2-ое – оборотным. Они действуют на ротор и делают надлежащие моменты (Мпр и Мобр).
Из-за различных направлений вращения эти электрические машины не могут без помощи других совершить запуск, так как при недвижном роторе, другими словами при S =1, пусковой момент, он же Мрез, равен нолю (смотри Набросок 1). Но, если придать движение ротору, то прямой и оборотный моменты не будут равны и мотор продолжит вращение в том же направлении (ток, протекающий по обмотке ротора будет оказывать размагничивающее действие и при всем этом будет ослабляться оборотное поле).

Набросок 1 — Зависимость механических черт от прямого и оборотного крутящих полей
Запуск мотора при помощи пусковых устройств
Для того чтобы запустить однофазовый асинхронный мотор используют устройства для запуска мотора:
Запуск трехфазных асинхронных движков осуществляется более обычным методом из-за уже имеющегося в сети сдвига фаз на 120 электрических градусов
Для получения пускового момента применяют пусковую обмотку статора, которая по отношению к рабочей обмотке сдвинута на 90 электрических градусов. Используют фазосдвигающие элементы, которые подключают к пусковой обмотке. Эта обмотка работает, обычно, около 3 первых секунд, после этого принудительно отключается вручную либо при помощи автоматов. По этой причине ее изготовляют из провода наименьшего сечения и с наименьшим количеством витков по сопоставлению с рабочей обмоткой.
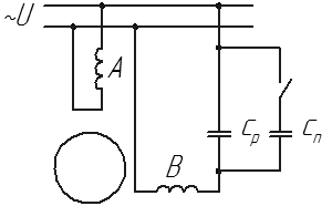
Запуск с помощью резистора делается при малых нужных пусковых моментах, другими словами если нагрузка на валу малозначительна. Набросок 2 иллюстрирует использование пускового а) конденсатора и б) резистора; где Р – рабочая обмотка, П – пусковая обмотка.

Набросок 2 – Схема подключения однофазового асинхронного мотора
Двухфазные асинхронные движки
Наличие конденсатора существенно улучшает свойства мотора, по этой причине применяются двухфазные асинхронные движки. В них две обмотки являются рабочими, в одну из них вводится конденсатор для смещения угла между фазами на 90 градусов и сотворения радиального магнитного поля. Такие движки именуют конденсаторными.
Расчет емкости конденсатора для мотора:
Емкость такового конденсатора определяется по формуле:
где – ток, протекающий в обмотке статора,
sinφ1 – сдвиг фаз между напряжение и током без конденсатора,
f – частота питающей сети,
U – напряжение сети,
n – коэффициент трансформации.
Где и kоб1, k об2 — обмоточные коэффициенты,
W1, W2, — количество витков обмоток статора и ротора.
Напряжение на зажимах конденсатора выше чем напряжение сети и определяется следующей формулой:
Для увеличения пусковых черт Есть движки в одну обмотку которых ставятся два конденсатора, один из которых пусковой, 2-ой – рабочий. Пусковой конденсатор обычно имеет емкость в разы огромную чем рабочий. При всем этом пусковой отключается при достижении 70-80% номинальной скорости электрической машины.

Набросок 3 – Пример подключения пары конденсаторов (конденсаторный мотор)
Расчет конденсатора для однофазового мотора
| Текущее время: Чт фев 10, 2022 15:08:57 |
Часовой пояс: UTC + 3 часа
Расчёт гасящего конденсатора для мотора.
| Страничка 1 из 2 | [ Сообщений: 30 ] | На страничку 1 , 2 След. |
|
Заголовок сообщения: Расчёт гасящего конденсатора для мотора. Добавлено: Ср авг 20, 2014 15:54:01
Всем хороший денек. Вот у меня появился вопрос — есть у меня некий мотор (127V, 0.45A) (для справки, этот мотор когда-то стоял в портативном киноаппарате), желаю запитать его от сети 220 вольт через гасящий конденсатор. Как его рассчитать (ёмкость конденсатора). Используя вот такую формулу? Меня смущает тот факт, что данная формула более применима к безстрансформаторным БП!? _________________ Заголовок сообщения: Re: Расчёт гасящего конденсатора для мотора. Если кратко, то никак, т.к. ток неизвестен. JLCPCB, всего $2 за макет печатной платы! Цвет — хоть какой! Зарегайтесь и получите два купона по 5$ каждый:https://jlcpcb.com/cwc Заголовок сообщения: Re: Расчёт гасящего конденсатора для мотора. Нагрузка известна, как и ток — 0.45 Ампер. Дело в том, что с этим движком и стоял конденсатор, только кое-где потерялся. а название киноаппарата я не помню. _________________ Сборка печатных плат от $30 + БЕСПЛАТНАЯ доставка по всему миру + трафарет Заголовок сообщения: Re: Расчёт гасящего конденсатора для мотора. По расчётам выходит приблизительно восемь мкф, но лучше подобрать, начиная кое-где с четырёх и наращивать до того времени, пока на движке не будет ваши 127 вольт. Современные строй электроинструменты добиваются высочайшей производительности и эргономичности благодаря использованию массивных бесщеточных электродвигателей и литий-ионных аккумов. В статье рассмотрены главные вопросы, возникающие при разработке беспроводных электроинструментов, также приведены решения компании Infineon, дозволяющие создавать оборудование, отвечающее самым современным требованиям, предъявляемым к технике подобного уровня. Заголовок сообщения: Re: Расчёт гасящего конденсатора для мотора. _________________ Analog Devices предлагает широкий модельный ряд маломощных операционных усилителей с малым и сверхмалым энергопотреблением (ULP) для использования в малогабаритной портативной электронике. При выборе подходящего усилителя нередко приходится идти на компромиссы. Разглядим пример системы сбора данных с применением равновесного по чертам биполярного дифференциального усилителя ADA4945-1. Заголовок сообщения: Re: Расчёт гасящего конденсатора для мотора. В резонанс с частотой 50 Гц и частотой последовательного колебательного контура, состоящего из индуктивности обмоток мотора и конденсатора . Заголовок сообщения: Re: Расчёт гасящего конденсатора для мотора. _________________ Заголовок сообщения: Re: Расчёт гасящего конденсатора для мотора. _________________ Заголовок сообщения: Re: Расчёт гасящего конденсатора для мотора. Да, с латром выходит проще, но если начинаешь подбирать с маленькой ёмкости и проверяешь краткосрочным подключением, то можно и без него . Заголовок сообщения: Re: Расчёт гасящего конденсатора для мотора. есть у меня некий мотор (127V, 0.45A) А вот меня смущает, что не приведено количество обмоток у этого мотора. Для справки: у ЭДГ-2, к примеру, очень распространенного в свое время, он в дешевеньких проигрывателях пластинок стоял, обмоток всего 2. И никаких гасящих напряжение конденсаторов при подключении не в 127, а в 220 у него не было. И вообщем — что, на ЭД никаких надписей нет? Как-то не верится. _________________ Заголовок сообщения: Re: Расчёт гасящего конденсатора для мотора. _________________ Заголовок сообщения: Re: Расчёт гасящего конденсатора для мотора. Путаешь. Это полностью обыденный мотор. А двигатели-трансформаторы — это другое. _________________ Заголовок сообщения: Re: Расчёт гасящего конденсатора для мотора. Пока ТС не напишет, что у него за мотор, все эти дискуссии не имеют смысла. Заголовок сообщения: Re: Расчёт гасящего конденсатора для мотора. . а сколько виводов у Вашего движка. обзаведитесь 2-мя 6мкФ кондиками и смело вперед. один кондик гасящий, другой — возбуждающий. Заголовок сообщения: Re: Расчёт гасящего конденсатора для мотора. _________________ Заголовок сообщения: Re: Расчёт гасящего конденсатора для мотора.
Так это коллекторный . Заголовок сообщения: Re: Расчёт гасящего конденсатора для мотора. _________________ Заголовок сообщения: Re: Расчёт гасящего конденсатора для мотора. Можно пользоваться, фактически, хоть каким трансом у которого первичная с отводом и от этого вывода запитаться . Заголовок сообщения: Re: Расчёт гасящего конденсатора для мотора. _________________ Преобразователь частоты для однофазового мотораОднофазовые движки – тип электрических машин переменного тока. Принцип их деяния тот же, что у трехфазных электродвигателей, отличие в том, что питание обмотки от 1 фазы делает пульсирующее магнитное поле. Для запуска однофазовых электрических машин нужна дополнительный фазосдвигающий элемент.
Мощность и момент таких движков ниже трехфазных аналогов с такими же массо-габаритными чертами, сфера использования однфазных приводов:
В сопоставлении с трехфазными, однофазовые движки имеют наименьший КПД, посильнее греются и гремят при работе, их используют при отсутствии 3-фазной сети либо в критериях, где нецелесообразно внедрение трехфазных электрических машин. Виды однофазовых движковДвижки на 1 фазу различают по методу старта: с конденсаторным запуском и работой через обмотку (CSIR), со стартом через пусковой емкостной элемент и работой через конденсатор (CSCR). Есть еще 2 вида однофазовых электродвигателей: с реостатным запуском (RSIR) и с неизменным разделением емкости (PSC). Схема движков с пусковым конденсатором и 2 обмотками смотрится таким макаром:
Емкостной элемент последовательно подключен к пусковой обмотке и вызывает сдвиг фаз между ней и главной обмоткой. Это обеспечивает возникновение вращающегося магнитного поля и старт мотора. После разгона конденсатор отключают. Пусковой момент электродвигателей с конденсаторным запуском и работой через обмотку (CSIR) составляет до 250% от номинального, такие электрические машины допускают старт под нагрузкой и используют в компрессорах холодильников, в приводе конвейеров. Движки с пусковой и рабочей емкостью (CSCR ) также имеют значимый момент при старте. Благодаря повсевременно включенному рабочему конденсатору, обеспечивается неизменный сдвиг фаз между обмотками. Из-за этого значительно миниатюризируется нагрев при долговременной работе. Область CSCR движков – бытовые насосы, оборудование, рассчитанное на долгий режим работы и высшую нагрузку.
Движки RSIR запускаются через пусковую обмотку с огромным сопротивлением, обеспечивающую некоторый сдвиг фаз. После разгона коммутирующее устройство отключает ее. Электродвигатели с разбитыми обмотками дешевле конденсаторных, но высочайший пусковой ток, маленькой стартовый момент, значимый нагрев ограничивает их использование. Движки применяют в приводе оборудования, рассчитанного на недолговременную работу и запуск без нагрузки.
Движки с повсевременно работающим конденсатором (PSC) адаптированы к долговременной работе. Такие электрические машины владеют самым высочайшим коэффициентом мощности КПД посреди однофазовых движков. Пусковые токи также не значительны. К недочетам движков PSC относится маленькой пусковой момент. Область их использования – приводы оборудования с низкоинерционной нагрузкой. Управление скоростью однофазовых движковЕсть несколько методов управления однофазовыми движками. Наибольшее распространение получили способы конфигурации скорости величиной и частотой напряжения. Регулирование напряжением имеет свои недочеты:
Изменение частоты вращения вала может быть в отношении 2:1 к номинальной скорости в сторону понижения. Невзирая на это, регулирование напряжения нередко используют для маломощных электрических машин бытовых приводов. Самая обычная схема – автотрансформаторная. Таковой метод позволяет воплотить 2-5 ступенчатое управление скоростью однофазового электропривода.
Автотрансформатор Т1 имеет несколько выводов, соответственных значению напряжения для каждой скорости мотора М1. Переключение осуществляется коммутационным аппаратом SW1. К преимуществам схемы относятся возможность выдерживать перегрузки по току и отсутствие преломления формы питающего напряжения. К недочетам относятся значимые габариты и масса автотрансформатора, также другие минусы управления напряжением. Схемы на базе электронных регуляторов напряжения также обширно используют в однофазовых приводах маленький мощности.
Управление осуществляется формированием нужной величины напряжения методом регулирования момента открытия и закрытия тиристоров. В итоге выходит напряжение «резанной» формы. Это вызывает дополнительный нагрев, треск, рывки и завышенный шум, повышение уровня электромагнитных помех. Управление электронными регуляторами напряжения не подходит при долговременной работе на низкой скорости, при больших требованиях ЭМС. Для частотного управления используют преобразователи частоты либо ПЧ. Для конфигурации скорости однофазового электродвигателя используют 2 схемы: одно- либо трехфазный ШИМ-инвертор. 1-ая работает следующим образом: переменное напряжение преобразуется в неизменное, фильтруется на конденсаторе. Дальше преобразуется назад в переменное на транзисторном инвертере. Широта и скорость отпирающих и запирающих полупроводниковые элементы импульсов подобрана таким макаром, дабы на выходе силовой схемы выходило напряжение данной частоты. Частотная регулировка скорости может осуществляется ввысь и вниз от номинальной. При всем этом форма напряжения на выходе инвертора близка и синусоидальной. К недочетам однофазового частотного управления относится относительно высочайшая цена преобразователя, невозможность реверсирования без наружной аппаратуры. Для конфигурации скорости мотора в широком спектре, используют спец преобразователи частоты на базе 3-фазного ШИМ-инвертора.
Механизм работы устройства аналогичен однофазовому аналогу. Схема позволяет производить конфигурации скорости вращения мотора в всякую сторону в значимом спектре и реверсировать мотор конфигурацией порядка коммутаций транзисторов.
При всем этом не надо использовать дополнительные электроаппараты. Разглядим подробнее особенности преобразователей частоты для однофазовых движков, достоинства и недочеты устройств. Особенности и достоинства частотного управления однофазовыми движкамиЧастотное управление однофазовыми электродвигателями лишено недочетов регулирования величиной напряжение. Преобразователи частоты позволяют:
Очередное достоинство частотных преобразователей для однофазовых движков на базе схемы двойного преобразования с ШИМ-инвертором – сохранение синусоидальной формы питающего напряжения. Мотор не испытывает негативного воздействия неизменной составляющей, вызывающий нагрев и шум, уровень электромагнитных помех также значительно ниже, чем при использовании электронных регуляторов напряжения.
Современный преобразователь частоты может не только лишь регулировать скорость вращения и момент. Оборудование:
Использование преобразователей частоты позволяет существенно понизить потребляемую мощность при недозагрузке движков. В вентиляционных системах экономия может составлять до 70%. Как избрать однофазовый преобразователь частотыПреобразователь частоты выбирают при проектировании привода. В случае с однофазовым движком, сначала, нужно убедиться, что он совместим с оборудованием. Большая часть частотных преобразователей на 220 В выполнены по схеме 3-фазного ШИМ-инвертора, такие устройства могут производить управление конденсаторным движком по скалярному методу. В таких случаях для улучшения электромагнитной сопоставимости нужна установка моторного дросселя. При подключении таких преобразователей к движкам с разбитыми обмотками с различным сопротивлением будет срабатывать защита от асимметрии фаз. В таких случаях нужен частотник на базе 1-фазного инвертора. Для конфигурации направления вращения таких приводов перед преобразователем устанавливают реверсивный магнитный пускатель. Перед выбором необходимо ознакомиться с документами на мотор, дабы найти, подходит ли он для подключения к ПЧ без внесений изменений в конструкцию. Дальше подбирают номинальный ток либо мощность. Производители советует делать выбор с припасом 20% для преобразователей частоты. При пуске под нагрузкой либо высочайшем пусковом токе нужна избрать мощность ПЧ на 1 либо 2 ступени больше. Потом выбирают интервал регулирования скорости либо момента. Спектр частот выходного напряжения и величины тока должен отвечать предназначению электропривода. Для однофазовых движков исполнительных устройств, другого оборудования, работающего в составе систем автоматизации и контроля, требующего наличия особых функций необходимо предугадать наличие подходящих опций преобразователей. Стандартные способности ПЧ:
Дальше подбирают свойства ПЧ в согласовании с критериями эксплуатации и ЭМС. Степень защиты корпуса от пыли и воды должны отвечать окружающей среде. При всем этом также учитывают наличие встроенного вентилятора для принудительного остывания. Искажение тока и напряжение привода должны отвечать требованиям к электромагнитной сопоставимости. По мере надобности необходимо применять входные и выходные фильтры гармоник и радиопомех. Использование преобразователей частоты для однофазовых движков более отлично чем для трехфазных. Частотники позволяют намного расширяют технические способности электропривода, сберегают электроэнергию, понижают возможность аварий. Видео: правильный подбор конденсаторов для электродвигателя |











