Кнопочный пост управления — это особый устройство, который нужен для коммутации разных электросетей управления, работающих на токе переменного значения с напряжением до 660 В и частотой тока 50-60 Гц. Также может быть управление установками на неизменном токе с напряжением до 440 В либо подача разных сигналов местного либо дистанционного значения.
К сведению! Сам по для себя пост — это несложное изделие (с конструкционной точки зрения). Количество компонент, из которых он состоит, малое, но функции их важны: отправка команд и проверка корректности их выполнения.
Нередко посты владеют клавишами без фиксации их положения. Пусковая кнопка обычно осуществляется в зеленоватом цвете с нормально разомкнутыми контактами. Она применяется для включения управления над устройством и выполнения какого-нибудь деяния.
Кнопка «Стоп» обычно выполнена в красном цвете с соответственной надписью на ней. Ее контакты нормально замкнуты, дабы снимать напряжение с устройства.

Мировоззрение профессионала
It-Technology, Cпециалист по электроэнергетике и электронике
Задавайте вопросы "Спецу по модернизации систем энергогенерации"
Как подключить магнитный пускатель через кнопку К примеру, верхний свет, разные подсветки, плинтусное дежурное освещение, разные бра, подсветки интерьера, RGB LED-ленты, подсветка в шкафах-купе и т. Спрашивайте, я на связи!
Кнопочные посты ПКЕ 112, ПКЕ 122, ПКЕ 212, ПКЕ 222, ПКЕ 612, ПКЕ 622, ПКЕ 712, ПКЕ 722 – АС Энергия
- Комплектация устройства может быть стандартной либо же осуществляется под определенные требования конкретного заказчика.
- Корпус сделан из негорючих материалов – специальной тугоплавкой огнеупорной пластмассы либо из металла.
- Между крышкой и корпусом размещается маленькая прокладка, сделанная из резины, за счет которой создается отменная плотность.
- Кнопочный пост предполагает возможность установки 2 светосигнальных индикаторов – по одному на каждую кнопку управления.
- Уплотнитель конструкции находится под неплохой защитой от негативного воздействия причин наружной среды.
- С боковой стороны у конструкции сделано дополнительное отверстие, через которое вводится кабель.
- Все крепежные элементы сделаны из нержавеющего материала – стали марки 316, по этому крепления у данного устройства получаются достаточно надежными.
Общие технические свойства и описание кнопочного поста
Ворачиваясь к фото кнопочного поста необходимо отметить на довольно мощный его корпус. Согласно ГОСТ «правильные» кнопочные посты делаются не из пластмассы, а специального материала под заглавием карболит.
Карболит это синтетический диэлектрик вид литых технических фенопластов. Обладает высочайшей прочностью и высочайшей электрической изоляцией. Благодаря этому получил обширное распространение в электрической индустрии. Если с кнопочными постами приходится иметь дело только спецам, то электрические счётчики с корпусами из карболита лицезрели все.
Какое освещение Вы предпочитаете
Встроенное Люстра
Для инфы, к диэлектрикам синтетического происхождения относят не только лишь карболит, но и гетинакс и текстолит.
Ворачиваясь к кнопочным постам, благодаря корпусу из карболита, пост может работать в электрических цепях переменного тока напряжением до 600-690 Вольт, неизменного тока до 440 Вольт.
Статьи по теме: Электрические аппараты защиты и управления

Механизм работы
Так как работает пускатель только под воздействием электромагнитной индукции, размыкание контактов происходит при перебоях с электричеством и при понижении напряжения в сети больше чем на 60% от номинального показателя. Когда напряжение вновь восстановлено, контактор не врубается без помощи других. Для его активации будет нужно нажатие кнопки «Пуск».
По мере надобности конфигурации направления вращения асинхронного мотора используются реверсивные устройства. Реверс получается благодаря 2 контакторам, активирующимся по очереди. При одномоментном включении контакторов происходит куцее замыкание. Для исключения таких ситуаций в конструкцию заходит особая блокировка.

Магнитный пускатель: предназначение и виды, устройство, принцип деяния и схема подключения
В том, дабы воспользоваться постом, нет никаких сложностей. Обычно они появляются при его подключении. Ниже рассмотрен этот процесс на примере соединения кнопочного поста с магнитным пускателем мотора.
Мировоззрение профессионала
It-Technology, Cпециалист по электроэнергетике и электронике
Задавайте вопросы "Спецу по модернизации систем энергогенерации"
Магнитный пускатель, схемы и особенности подключения 1 ручка; 2 кавитирующий указатель; 3 доказательство машина-мостик ; 4 сообщение мостик-машина ; 5 приемник; 6 указатель команд; 7 кавитирующий рычаг; 8 датчик. Спрашивайте, я на связи!
Схема подключения магнитного пускателя: методы
- Нормально замкнутые. Контакты замкнуты, и питание подается повсевременно, отключение происходит только после срабатывания пускателя.
- Нормально разомкнутые. Контакты замкнуты, и питание подается, пока работает пускатель.
Разновидности и типы
Пускатели, изготавливаемые по русским эталонам, делят на 7 групп зависимо от номинальной нагрузки. Нулевая группа выдерживает нагрузку в 6,3 A, седьмая группа — 160 A.
Об этом нужно держать в голове при выборе магнитных пускателей.
Систематизация забугорных аналогов может отличаться от принятой в Рф.
- Открытые. Подходят для установки в закрытых шкафах либо местах, изолированных от пыли.
- Закрытые. Инсталлируются раздельно, в помещениях без пыли.
- Пылебрызгонепроницаемые. Вероятна установка в любом месте, в том числе и вне помещений. Основное условие — установка козырька, защищающего от солнечных лучей и дождика.
По типам пускатель электромагнитный можно подобрать по следующим характеристикам:
- Стандартные версии, в каких подается напряжение на пускатель с предстоящим притягиванием сердечника и активацией контактов. В данном случае зависимо от того, нормально замкнутый либо нормально разомкнутый это пускатель, происходит включение или отключение электрического оборудования.
- Реверсивные модификации. Такое устройство представляет собой реверс с электромагнитами. Такая конструкция позволяет исключить одновременное включение 2 устройств.
В маркировке магнитного пускателя зашифрованы его технические свойства. Обозначение расположено на корпусе и может содержать следующие значения:
- Серия устройства.
- Номинальный ток, обозначение которого вписано спектром значений.
- Наличие и конструкция термического реле. Существует 7 степеней.
- Степень защиты и кнопки управления. Всего существует 6 позиций.
- Наличие дополнительных контактов и их разновидности.
- Соответствие креплений стандартным монтажным рамкам.
- Климатическое соответствие.
- Варианты размещения
- Износостойкость.
Существует несколько вариантов установки магнитных контакторов в системах управления, начиная с самого обычного управления электродвигателями и заканчивая установкой с удержанием кнопки контактов, либо реверсов.

Реверсивная схема коммутации магнитных пускателей
Схема подключения реверсивного магнитного пускателя применяется тогда, когда нужна обеспечение вращение электродвигателя в обоих направлениях. Например, реверсивный пускатель устанавливается на лифт, грузоподъемный кран, сверлильный станок и остальные приборы требующие прямой и оборотный ход.
Реверсивный пускатель состоит из 2-ух обычных пускателей собранных по специальной схеме. Смотрится он так:

Советуем прочесть:
One thought on “ Как подключить магнитный пускатель ”
Очень распространены катушки пускателей на 110V в разных станках и тельферах.
Мировоззрение профессионала
It-Technology, Cпециалист по электроэнергетике и электронике
Задавайте вопросы "Спецу по модернизации систем энергогенерации"
Схема подключения контактора 220в: подключение электромагнитного пускателя через кнопку запуск стоп В отверстии 2-ой части установлена катушка, ее размещение оказывает влияние на номинальные контакторы пускателя с катушкой, разделяются на 12 V и 24 V, 110 V и 220 V и 380 V. Спрашивайте, я на связи!
Схемы управления освещением через контакторы и магнитные пускатели
- 1-ый символ П — Пускатель;
- 2-ой символ М — Магнитный;
- 3-ий символ Е, Л, У, А… — это тип либо серия пускателя;
- 4-ый цифровой символ — величина пускателя;
- 5-ый и последующие цифровые знаки — свойства и разновидности пускателя.
Аннотация — подключение магнитного пускателя через кнопку
Разглядим порядок подключения магнитного пускателя на примере управления освещением — включением/выключением обыкновенной лампы.
Для этого пригодятся следующие инструменты, устройства и материалы:
- магнитный пускатель;
- кнопка включения магнитного пускателя Запуск (она может быть 2-ух видов — зеленоватая либо темная);
- кнопка Стоп (красного цвета);
- установочная коробка для кнопок;
- двухжильный медный провод;
- патрон с лампой;
- бокорезы, ножик, крестовая отвертка.
Дабы подключить схему кнопочного выключателя, необходимо выполнить следующие деяния:

Ворачиваясь к кнопочным постам, благодаря корпусу из карболита, пост может работать в электрических цепях переменного тока напряжением до 600-690 Вольт, неизменного тока до 440 Вольт.
Мировоззрение профессионала
It-Technology, Cпециалист по электроэнергетике и электронике
Задавайте вопросы "Спецу по модернизации систем энергогенерации"
Где и для чего применяется Управляющие элементы могут быть следующих видов выполнения цилиндрические, грибовидные, грибовидные с фиксацией в положении нажато , цилиндрические с замком и фиксацией. Спрашивайте, я на связи!
Пускатель электродвигателя описание сборки + схемы
Пускатель электродвигателя — важное изобретение, удачно применённое в области управления электрическими моторами. Выступающая собственного рода стартерным устройством, такового вида конструкция обеспечивает регулирование подводимой электрической мощности, содействует неопасному запуску мотора. На практике такие аппараты используются для остановки, реверсирования, защиты электромоторов.
Пускатель электродвигателя + главные составляющие системы
Есть два главных компонента конструкции традиционного стартерного устройства:
- Контактор.
- Реле перегрузки.
Компонентом контактор врубаются либо отключаются цепи питания статорных обмоток мотора. Главной функцией контактора является обеспечение прохождения электрического тока через статорные обмотки.
Тривиальный момент — потребление обмотками лишних токов приводит не просто к бесполезности работы мотора, но к перегреву проводников обмоток и в итоге к разрушению системы. Реле перегрузки призвано предотвращать такие ситуации, другими словами защищать электрический мотор от имеющейся возможной угрозы.
В целом, пускатель электродвигателя конструктивно представляет сборку 2-ух отмеченных компонент. Системная сборка позволяет включать и выключать электродвигатель (оборудование), обеспечивает защиту цепи от перегрузки.
Какой тип пускателей электродвигателей существует?
На самом деле, есть и используются на практике несколько типов пускателей электродвигателей. Но более обширно используемыми устройствами такового рода числятся два типа:
Ручные устройства, соответственно, управляются вручную. Ручной пускатель электродвигателя отличается простотой системы и эксплуатации. Конструкция содержит кнопку (либо поворотную ручку), средством которой врубается либо выключается рабочее оборудование.
Кнопка имеет механические связи, через которые размыкаются либо замыкаются контакты (запускается либо останавливается мотор). Имеющиеся особенности ручного стартерного устройства в некотором смысле делают желаемым выбор конкретно этой системы по сопоставлению с другими имеющимися типами.
Тривиальные достоинства тут:
- безопасность эксплуатации,
- экономичность использования,
- компактность сборки,
- действенная защита,
- широкий ассортимент корпусов,
- применимая рыночная цена.
Магнитный пускатель электродвигателя представляет пользующуюся популярностью в пользовательской сфере конструкцию, которая работает от электромагнита. Другими словами токовая нагрузка на мотор передаётся средством низкого, неопасного напряжения, по сопоставлению с питающим мотор напряжением.
Как и другие типы пускателей электрических движков, магнитный пускатель электродвигателя также имеет контактор и реле перегрузки для защиты устройства от лишнего течения тока либо от перегрева.
Схемы подключения пускателей электродвигателей
Независимо от типа рассматриваемых устройств, при подключении аппаратуры под эксплуатацию, учитываются две схемы системы в целом:
- Силовая часть.
- Часть управления.
Отмеченная в перечне первой, силовая цепь является схемой, питающей током обмотки статора. Практически этой схемой обеспечивается передача электроэнергии через контакты стартерного устройства, через реле перегрузки, на клеммы мотора. Другими словами полный ток мотора передаётся по силовым (основным) цепям контактора.

Схема пускателя прямого деяния: 1 — контактор; 2 — мотор; 3 — трансформатор; 4 — предохранитель; 5 — кнопки «запуск» / «стоп»; 6 — катушка пускателя; 7 — контрольная лампа; 8 — цепь защиты
2-ая часть — схема управления, включает в работу либо выключает из работы сам контактор. Схема управления питает напряжением катушку контактора, которой создаётся электромагнитное поле. Создаваемым электромагнитным полем приводится в движение железное основание, на котором закреплены силовые контакты.
Таким движением контактная группа пускателя электродвигателя устанавливается в замкнутое положение. Другими словами замыкается силовая цепь передачи энергии на мотор. Благодаря схеме управления становится допустимой организация дистанционного управления включением/отключением оборудования.
В свою очередь схема управления мотором подразумевает подключение одним из 2-ух методов:
- 2-мя проводниками.
- 3-мя проводниками.
1-ый способ перечня считается более нередко используемым при подключении схемы управления. В данном случае для подключения управляющей цепи применяется пилотное устройство:
- датчик присутствия,
- термостат,
- поплавковый выключатель и т.п.
2-ая методика несколько отличается от первой тем, что тут при подключении схемы управления применяется выключатель с функцией самовозврата.
Схема управления пускателем электродвигателя как такая допускает подвод питания одним из трёх методов:
- Общий.
- Автономный.
- Трансформаторный.
Если для первого варианта применяется тот же источник питания, что обеспечивает энергией мотор, во 2-м варианте применяется отдельный питающий схему модуль. Для третьего варианта, как понятно из наименования, применяется понижающий трансформатор.
Типовое выполнение магнитных пускателей электродвигателей
Для использования на практике разработаны различные по выполнению магнитные пускатели электродвигателей. Зависимо от определенной схемы соединения, а именно, могут употребляться:
- прямой,
- резистор в цепи ротора,
- резистор в цепи статора.
- автотрансформаторный,
- переключаемый «звезда» / «треугольник».
Пускатель электродвигателя прямого деяния (схема выше) — простая система стартерного устройства. Обычно представляет на техническом уровне ординарную кнопку (правда не исключён вариант селекторного переключателя, концевого выключателя, поплавкового и т.п.).
Нажатием кнопки (подача питания на катушку контактора) замыкается силовая цепь, обеспечивая ток питания мотора. Выключение мотора осуществляется кнопкой останова, а защита от перегрузки по току цепью управления через нормально замкнутый вспомогательный контакт реле перегрузки.

Выполнение с резисторами в цепи ротора: 1 — статорные обмотки; 2 — ротор с контактными (токосъёмными) кольцами; 3 — токосъёмные кольца; 4 — щётки; 5 — наружный реостат
Выполнение с резистором в цепи ротора предугадывает наличие трёх сопротивлений, которые включены последовательно с обмотками ротора. Таким включением существенно понижается ток ротора и возрастает вращающий момент.
Выполнение с резистором в цепи статора также предугадывает наличие трёх резисторов, последовательно соединённых с каждой обмоткой статора асинхронного мотора. На каждом резисторе создаётся падение напряжения, соответственно низкое напряжение подводится на каждую фазу. Требуемые сопротивления инсталлируются на шаге пуска мотора. Пусковой ток поддерживается на наименьшем уровне и с учётом пускового момента мотора.

Выполнение с резисторами в цепях статора: 1 — трёхфазное напряжение (380В); 2 — точка полного тока; 3 — пусковое сопротивление; 4 — точка тока старта; 5 — обмотки статора асинхронного мотора; 6 — короткозамкнутый ротор
Автотрансформаторное выполнение подразумевает подачу определённого процента первичного напряжения на вторичную обмотку трансформатора. Автотрансформатор подключается по схеме звезды. Три вторичных обмотки трансформатора с ответвлениями подключены к трём фазам мотора.

Схема автотрансформаторного управления
В конце концов, выполнение переключением звезды на треугольник – метод, который получил обширное использование. Тут вначале три обмотки соединены звездой. Время на переключение устанавливается таймером либо другим методом. Другими словами по истечении данного времени от момента запуска, обмотки мотора подключаются по схеме треугольник.

Управление на переключение режимов «звезда» / «треугольник»
Необходимо подчеркнуть: фазное напряжение схемы «звездой» понижается до 58%. Общий потребляемый ток также составляет 58% рабочего тока, что приводит к уменьшению вращающего момента.
Стандартизация на пускатель электродвигателя
Номинальные характеристики на пускатель электродвигателя определяются обилием причин, а именно:
- термический ток,
- неизменный ток,
- напряжение,
- мощность.
Термический ток впрямую находится в зависимости от теплопроводимости, которая является свойством, указывающим на теплопроводимость материала. Другими словами по факту термический ток прямо пропорционален теплопроводимости.
Номинальный (неизменный) ток является мерой возможности пускателя, управляющего электродвигателем, выдерживать токовую нагрузку в течение непрерывного времени. Номинальная мощность пускателя электродвигателя находится в зависимости от типа применяемого мотора.
Соответственно, стартерные устройства неизменного тока рассчитаны на мощность неизменного тока. С другой стороны, пускатели электродвигателей переменного тока имеют номинальную мощность однофазовой и трехфазной мощности.
Свойства стартерных систем зависят от размера и типа нагрузки, на которую эти системы рассчитаны. Применительно к таким устройствам есть эталоны и рейтинги:
- Американской лаборатории техники безопасности (UL),
- Канадской ассоциации эталонов (CSA),
- Интернациональной электротехнической комиссии (IEC),
- Государственной ассоциации производителей электрического оборудования (NEMA).
Номинальные значения NEMA стартерной системы в значимой степени зависят от наибольшей номинальной мощности, обозначенной в эталоне ISCS2 Государственной ассоциации производителей электрического оборудования. Выбор стартерных систем NEMA осуществляется на базе размерности NEMA (величины) от 0 (нулевой) до 9 (девятой).
Таблица: стандартные величины по спецификациям NEMA
| Эталон NEMA, (величина) | Режим долговременной мощности, А | Мощность (при ~ 230В), Л.С. | Мощность (при ~ 460В), Л.С. |
| 00 | 9 | 1 | 2 |
| 18 | 3 | 5 | |
| 1 | 27 | 5 | 10 |
| 2 | 45 | 15 | 25 |
| 3 | 90 | 30 | 50 |
| 4 | 135 | 50 | 100 |
| 5 | 270 | 100 | 200 |
| 6 | 540 | 200 | 400 |
| 7 | 810 | 300 | 600 |
| 8 | 1215 | 450 | 900 |
| 9 | 2250 | 800 | 1600 |
Выбор пускателя электродвигателя должен также учесть и другие характеристики:
- ускорение в функции времени,
- ускорение полосы передачи тока,
- управляющее напряжение,
- количество полюсов,
- рабочая температура.
Вот таким, приблизительно, видится базисное представление относительно современных стартерных систем электрических моторов.
С помощью инфы: c3controls
Лаконичный БРИФИНГ
Z-Сила — публикации материалов увлекательных нужных для социума. Анонсы технологий, исследовательских работ, тестов мирового масштаба. Соц мульти-тематическая информация — СМИ .
Схема управления асинхронным движком с короткозамкнутым ротором

Управлять асинхронными электродвигателями с короткозамкнутым ротором можно средством контакторов. При использовании маломощных электродвигателей, для которых нет необходимости ограничивать пусковой ток, пуск делается при действующем напряжении.
Нереверсивная схема управления асинхронного мотора.

Набросок 1 — Простая схема асинхронного мотора
Для подачи напряжения на управляющую и силовую цепь применяется автоматический выключатель QF. Запуск асинхронного мотора осуществляется кнопкой SB1 «Пуск”, которая замыкает свои контакты в цепи катушки магнитного пускателя КМ. Который срабатывая замыкает главные контакты силовой цепи статора. Вследствие чего электродвигатель М подсоединяется к питанию. В то же время в управляющей сети происходит замыкание блокирующего контакта КМ который шунтирует кнопку SB1.
Дабы отключить асинхронный мотор с кз ротором, нужно надавить кнопку SB2 «Стоп». При всем этом питающая сеть контактора КМ размыкается и подача напряжения на статор прекращается. После чего необходимо выключают автомат QF.
Схема управления АД с кз предугадывает несколько защит:
- от КЗ — средством автоматического выключателя QF и плавкими предохранителями FU;
- от перегрузок — средством теплореле КК (при перегреве данные устройства отсоединяют контактор КМ, прекращая работу движка);
- нулевая защита — средством магнитного пускателя КМ (при низком напряжении либо его полном отсутствии контактор КМ оказывается незапитанным, размыкается и электродвигатель выключается).
Для подключения электродвигателя после срабатывания защитного механизма нужна опять нажать кнопку SB1.
Реостатный запуск асинхронного мотора с кз ротором.
Если нереально запустить АД с кз ротором в стандартном режиме, применяют пуск при сниженном напряжении. С этой целью в цепь статора добавляют сопротивление, реостат либо применяют автотрансформатор. Автоматический выключатель QF срабатывает и на управляющую и силовую цепь поступает напряжение. После нажатия кнопки SB1 пускатель КМ1 идёт в действие, подавая электроток в цепь статора с включенным сопротивлением. В то же время питание поступает и на реле времени КТ.

Набросок 2 — Схема асинхронного мотора с симметричными сопротивлениями (реостатный запуск)
Через определенный временной интервал, задаваемый реле КТ, происходит замыкание контакта КТ. В конечном итоге пускатель КМ2 шунтирует (закорачивает) сопротивление статора. Процедура пуска электродвигателя заканчивается. Для его выключения нужно надавить кнопку SB2 и выключить автомат QF.
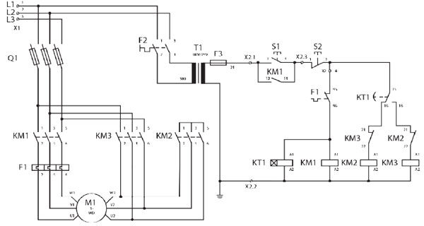
Реверсивный запуск асинхронного мотора
Набросок 3. Схема реверсивный запуск асинхронного мотора с кз ротором.
Данная схема дает возможность создавать пуск электродвигателя и изменять направленность его вращения. Для пуска нужно включить автомат QF и надавить SB1 «Запуск», в итоге чего ток поступает на магнитный пускатель КМ1, который запитывает статор. АД реверсируется последовательным нажатием кнопок «Стоп» SB3 (КМ1 выключается и мотор останавливается) и «Реверс» SB2 (срабатывает КМ2 и асинхронный мотор запускается в реверсивном направлении).
В данной схеме нажатием кнопки реверса изменяется чередование фаз питающего напряжения на статоре мотора, что будет вызывать смену направленности его вращения (реверсом). С помощью нормально замкнутых контактов КМ1 и КМ2 выполнена защита от неверного включения сходу 2-ух магнитных пускателей КМ1 и КМ2. Также действуют защиты, подобные описанным ранее. Отключить электродвигатель можно кнопкой SB3 и автоматом QF.
